lemon-mirror:
Home >> Nissan-Datsun >> 2004 >> Sentra SE-R >> Repair and Diagnosis >> External Pages >> Different car >> Section 1269 (Integrated Display System) >> Schematic

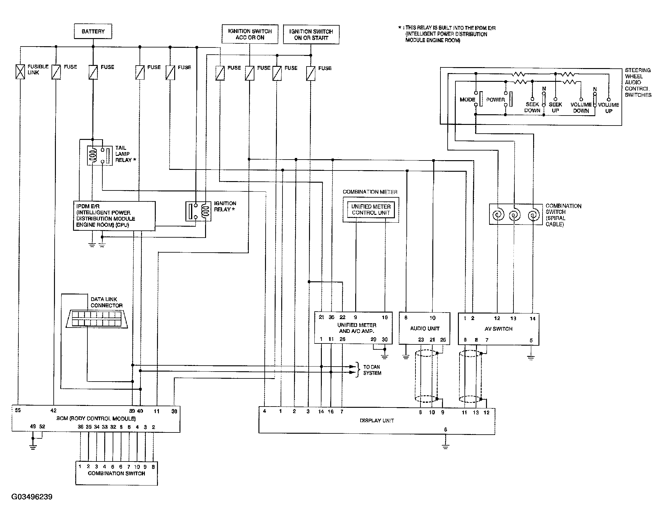
Section 1269 (Integrated Display System): Schematic

WARNING: This page is about a different car, the 2004 Nissan Maxima. However, it is still accessible from the selected car via links, so may be relevant.
Fig 1: Integrated Display System Schematic Wiring Schematic
G03496239Courtesy of NISSAN MOTOR CO., U.S.A.