lemon-mirror:
Home >> Nissan-Datsun >> 2004 >> Sentra SE-R >> Repair and Diagnosis >> External Pages >> Different car >> Section 1430 (Engine Control System) >> ASCD Indicator >> Wiring Diagram

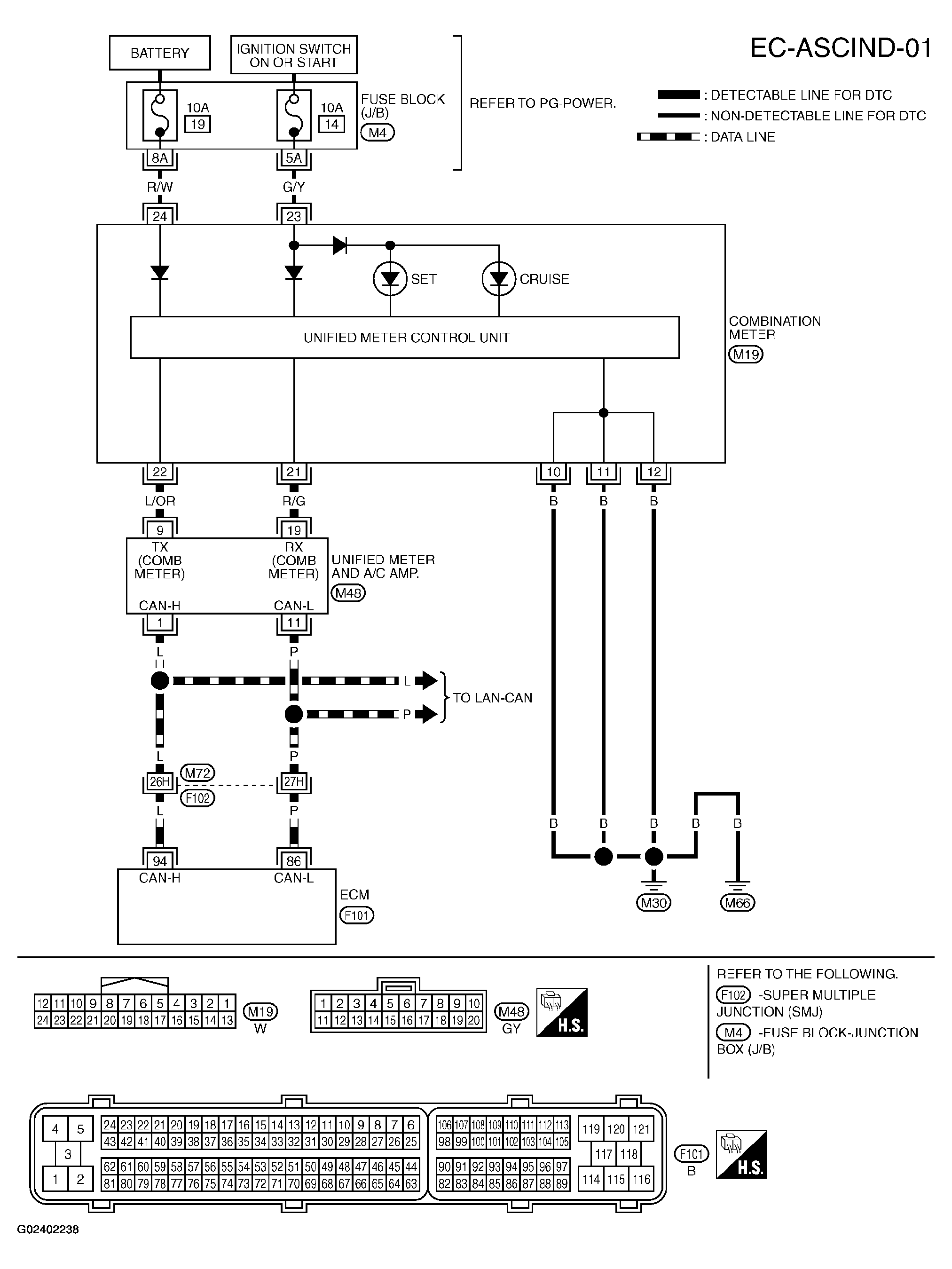
ASCD Indicator: Wiring Diagram

WARNING: This page is about a different car, the 2005 Nissan 350Z. However, it is still accessible from the selected car via links, so may be relevant.
Fig 1: Wiring Diagram - ASCD Indicator - EC-ASCIND-01
G02402238Courtesy of NISSAN MOTOR CO., U.S.A.