lemon-mirror:
Home >> Nissan-Datsun >> 2004 >> Sentra SE-R >> Repair and Diagnosis >> External Pages >> Different car >> Section 1460 (Body Control System) >> BCM (Body Control Module) >> Schematic >> Roadster Models

Roadster Models

WARNING: This page is about a different car, the 2005 Nissan 350Z. However, it is still accessible from the selected car via links, so may be relevant.
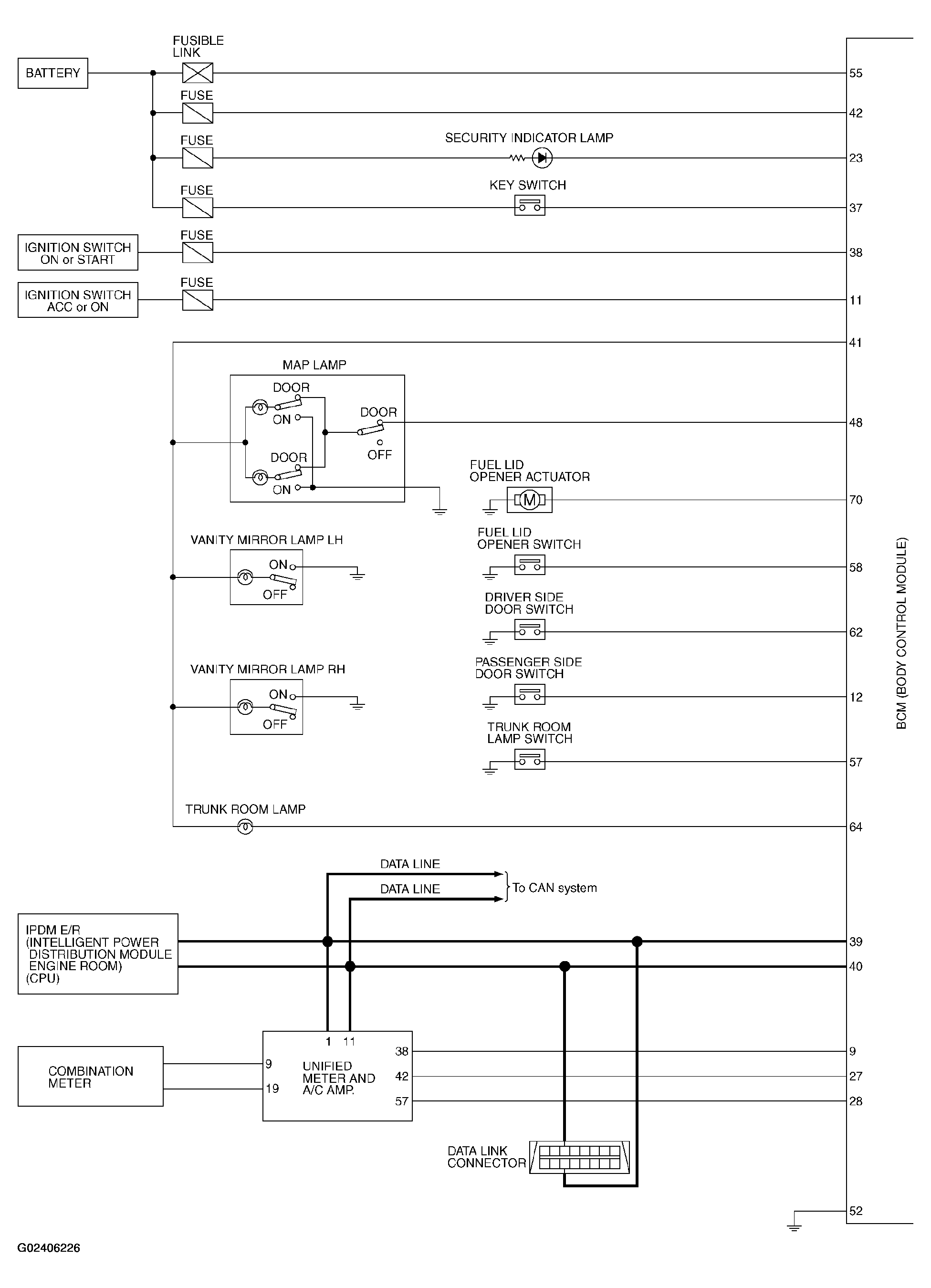
Fig 1: BCM Schematic Diagram (Roadster Models) (1 Of 2)
G02406226Courtesy of NISSAN MOTOR CO., U.S.A.
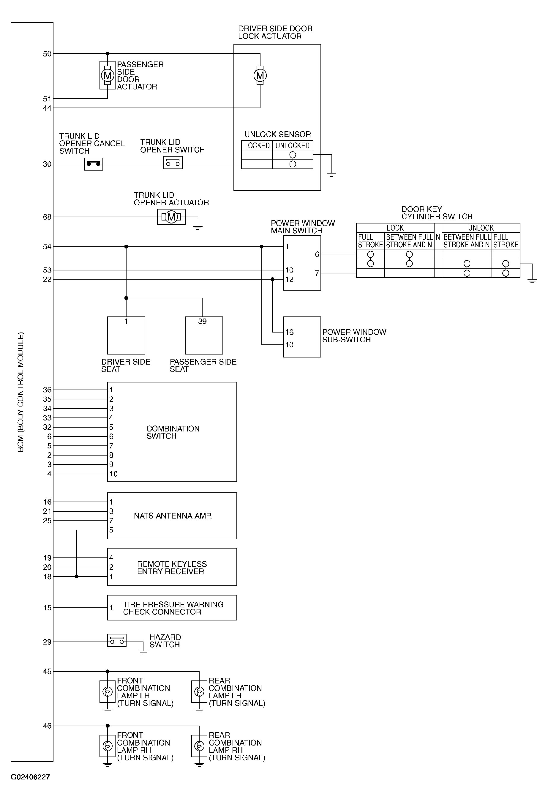
Fig 2: BCM Schematic Diagram (Roadster Models) (2 Of 2)
G02406227Courtesy of NISSAN MOTOR CO., U.S.A.