lemon-mirror:
Home >> Nissan-Datsun >> 2004 >> Sentra SE-R >> Repair and Diagnosis >> External Pages >> Different car >> Section 1489 (Lighting System) >> Auto Light System >> Schematic

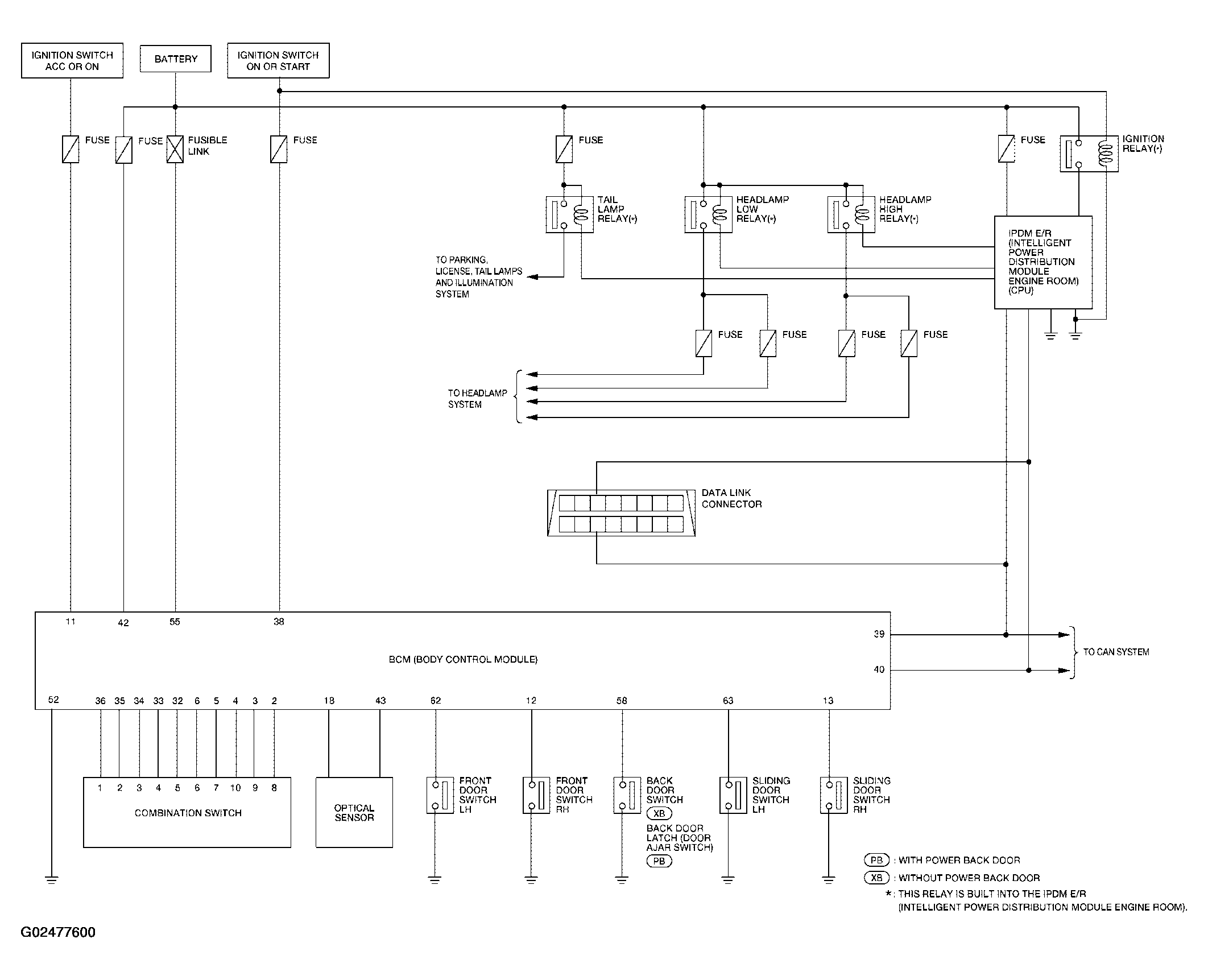
Auto Light System: Schematic

WARNING: This page is about a different car, the 2005 Nissan Quest. However, it is still accessible from the selected car via links, so may be relevant.
Fig 1: Auto Light System Schematic
G02477600Courtesy of NISSAN MOTOR CO., U.S.A.