lemon-mirror:
Home >> Nissan-Datsun >> 2004 >> Sentra SE-R >> Repair and Diagnosis >> External Pages >> Different car >> Section 2085 (Lighting System) >> Auto Light System >> Schematic

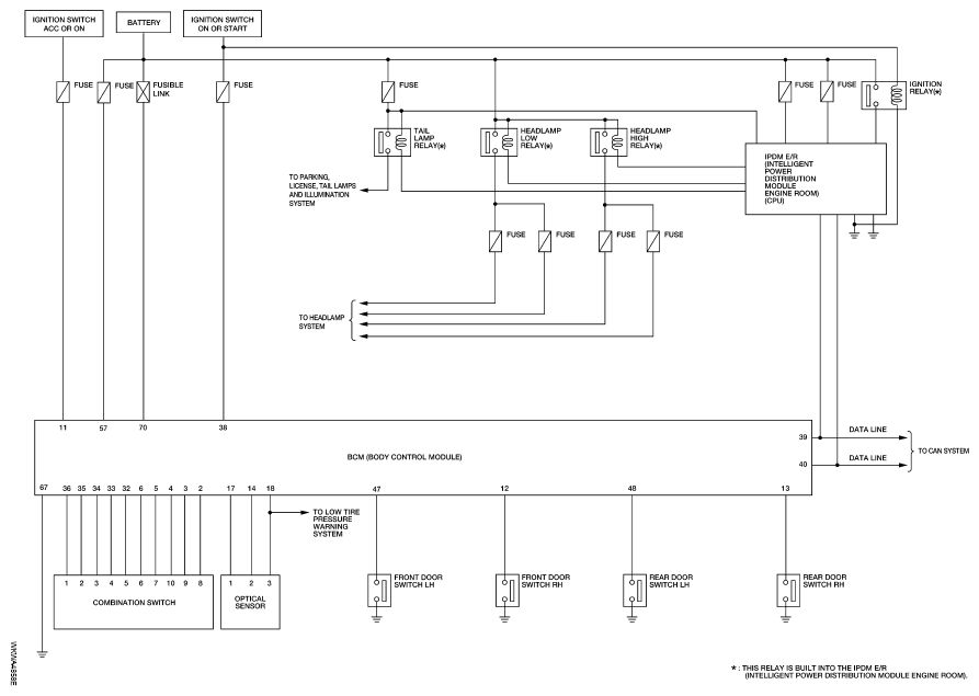
Auto Light System: Schematic

WARNING: This page is about a different car, the 2008 Nissan Maxima. However, it is still accessible from the selected car via links, so may be relevant.
Fig 1: Schematic Diagram - Auto Light System
G04917843Courtesy of NISSAN MOTOR CO., U.S.A.