lemon-mirror:
Home >> Nissan-Datsun >> 2004 >> Sentra SE-R >> Repair and Diagnosis >> External Pages >> Different car >> Section 391 (Front Final Drive) >> Front Final Drive Assembly >> Removal And Installation >> Notes

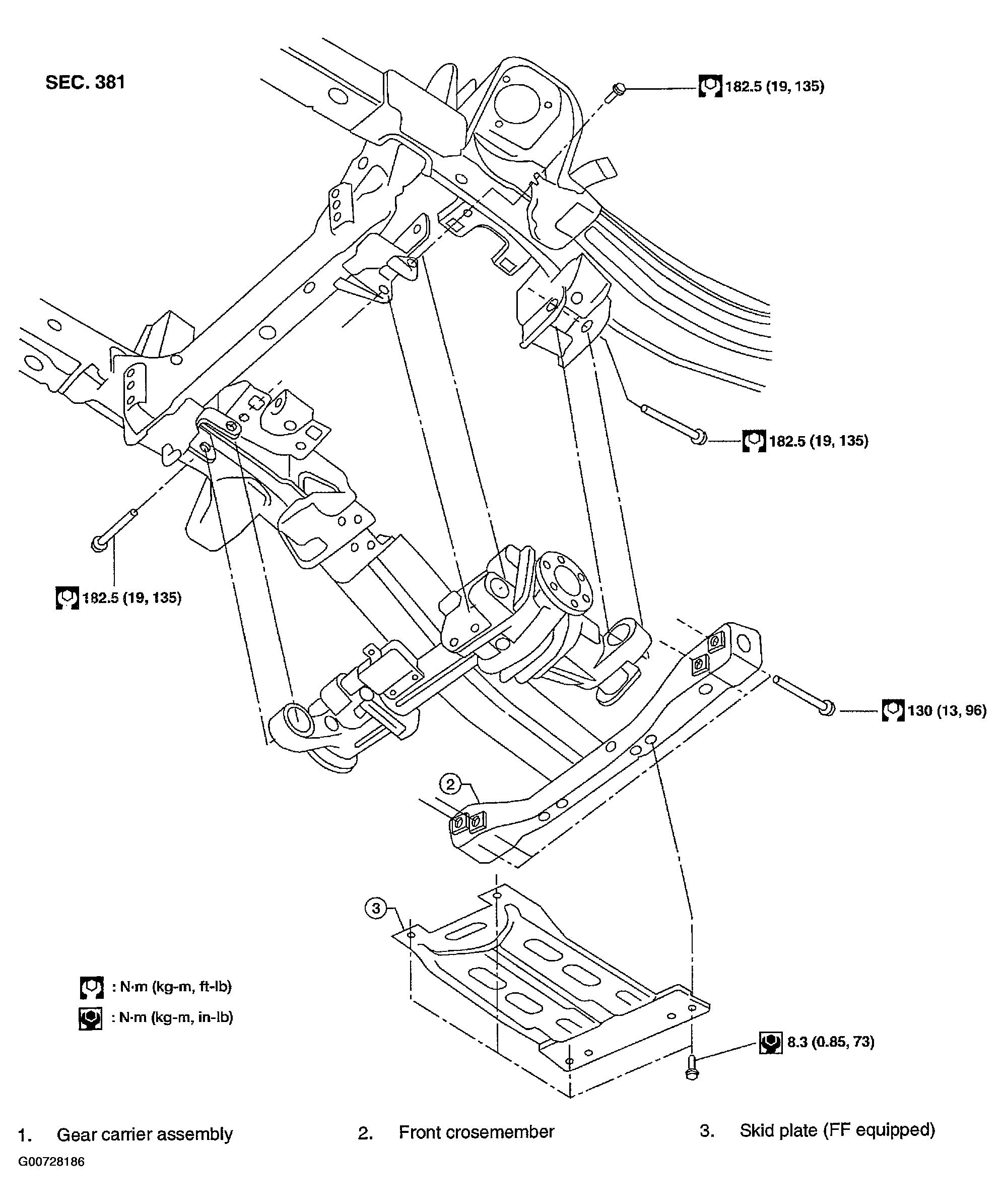
Removal And Installation: Notes

WARNING: This page is about a different car, the 2004 Nissan Titan. However, it is still accessible from the selected car via links, so may be relevant.
Fig 1: Removing & Installing Front Final Drive Assembly With Torque Specifications
G00728186Courtesy of NISSAN MOTOR CO., U.S.A.