lemon-mirror:
Home >> Nissan-Datsun >> 2004 >> Sentra SE-R >> Repair and Diagnosis >> External Pages >> Different car >> Section 732 (Power Window System) >> Power Window System >> Schematic

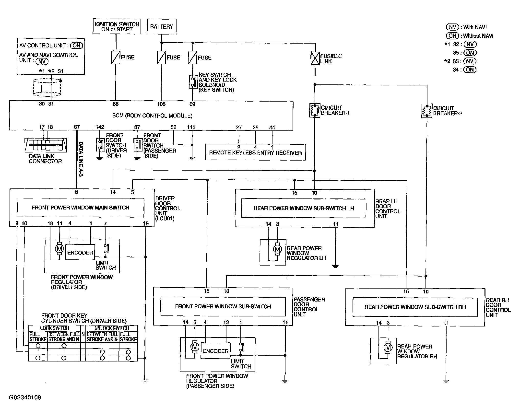
Power Window System: Schematic

WARNING: This page is about a different car, the 2004 Infiniti M45. However, it is still accessible from the selected car via links, so may be relevant.
Fig 1: Power Window System Schematic Diagram
G02340109Courtesy of NISSAN MOTOR CO., U.S.A.