lemon-mirror:
Home >> Nissan-Datsun >> 2004 >> Sentra SE-R >> Repair and Diagnosis >> External Pages >> Different car >> Section 752 (Remote Keyless Entry System) >> Remote Keyless Entry System >> Wiring Diagram - KEYLESS

Wiring Diagram - KEYLESS

WARNING: This page is about a different car, the 2003 Infiniti M45. However, it is still accessible from the selected car via links, so may be relevant.
NOTE: For additional information, see SYSTEM WIRING DIAGRAMS article.
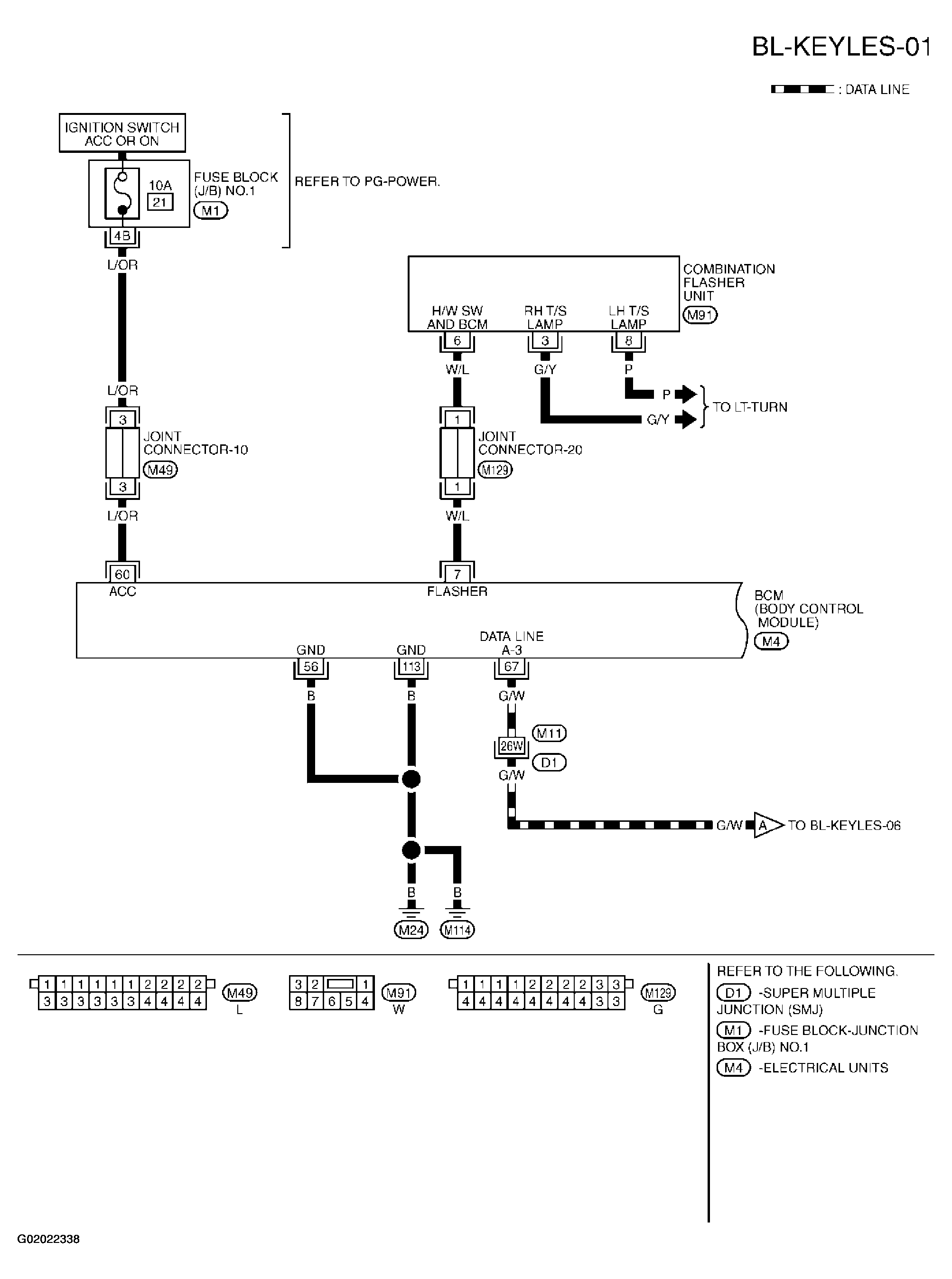
Fig 1: Wiring Diagram Of BL-KEYLESS-01
G02022338Courtesy of NISSAN MOTOR CO., U.S.A.
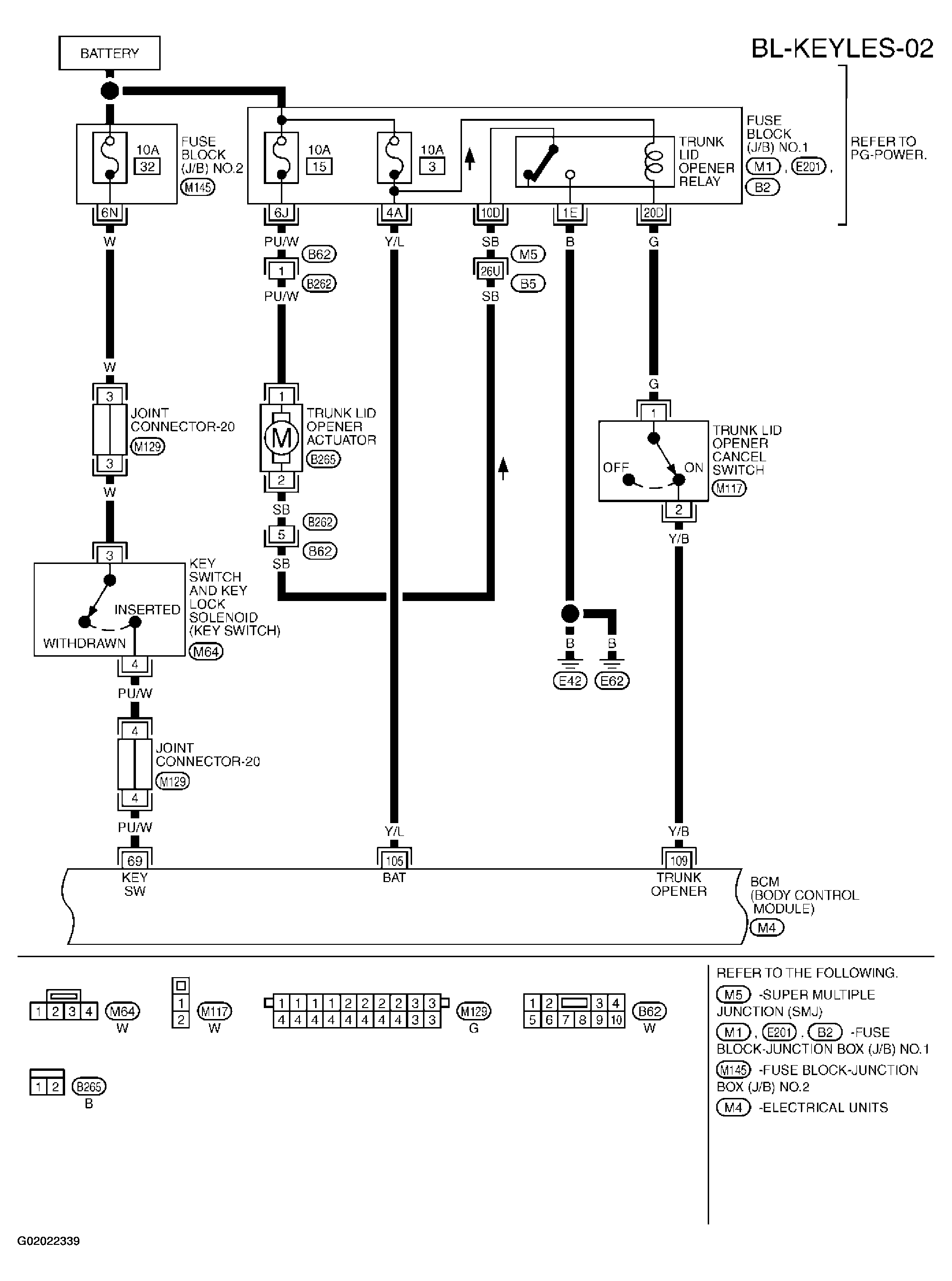
Fig 2: Wiring Diagram Of BL-KEYLESS-02
G02022339Courtesy of NISSAN MOTOR CO., U.S.A.
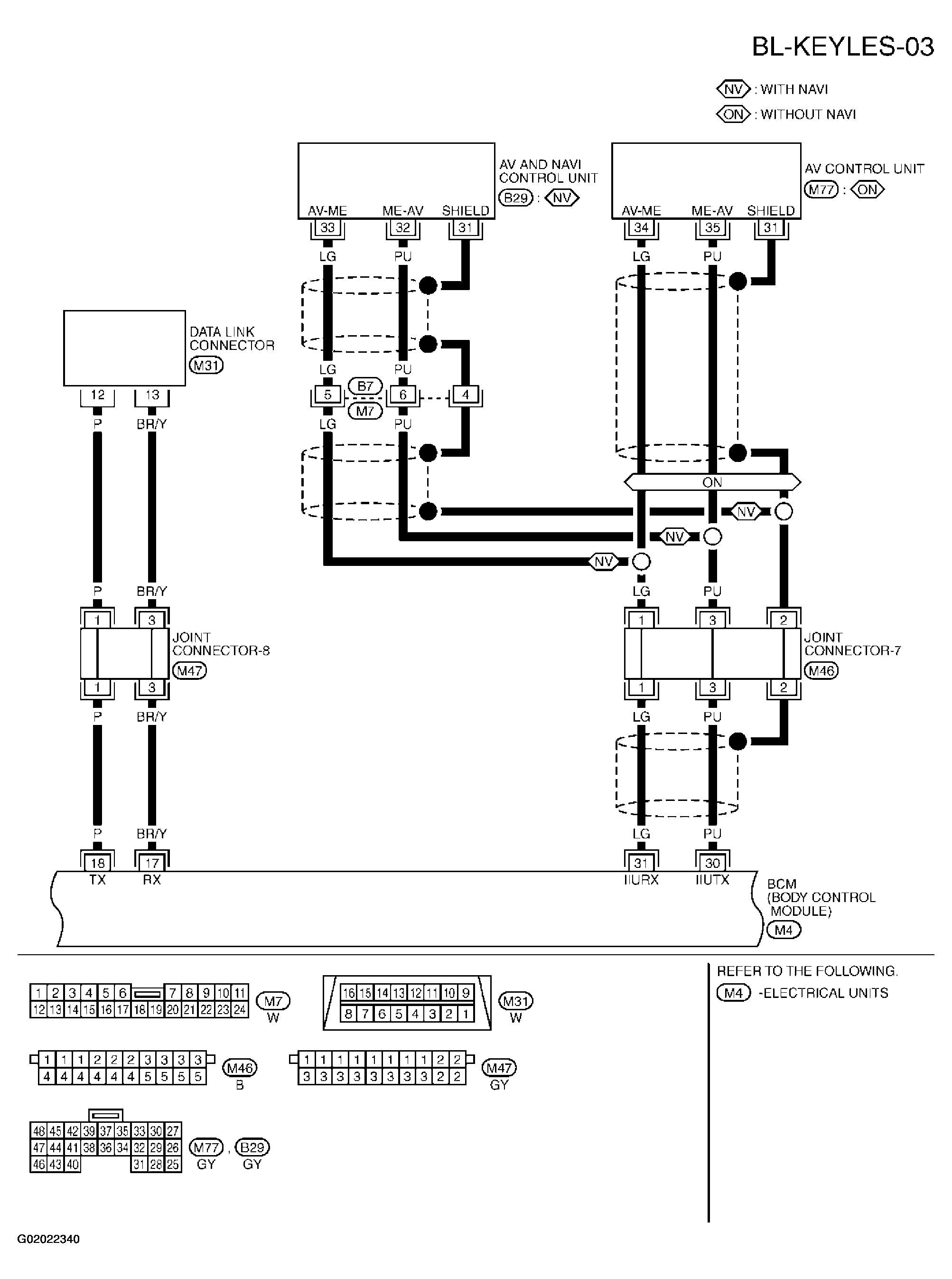
Fig 3: Wiring Diagram Of BL-KEYLESS-03
G02022340Courtesy of NISSAN MOTOR CO., U.S.A.
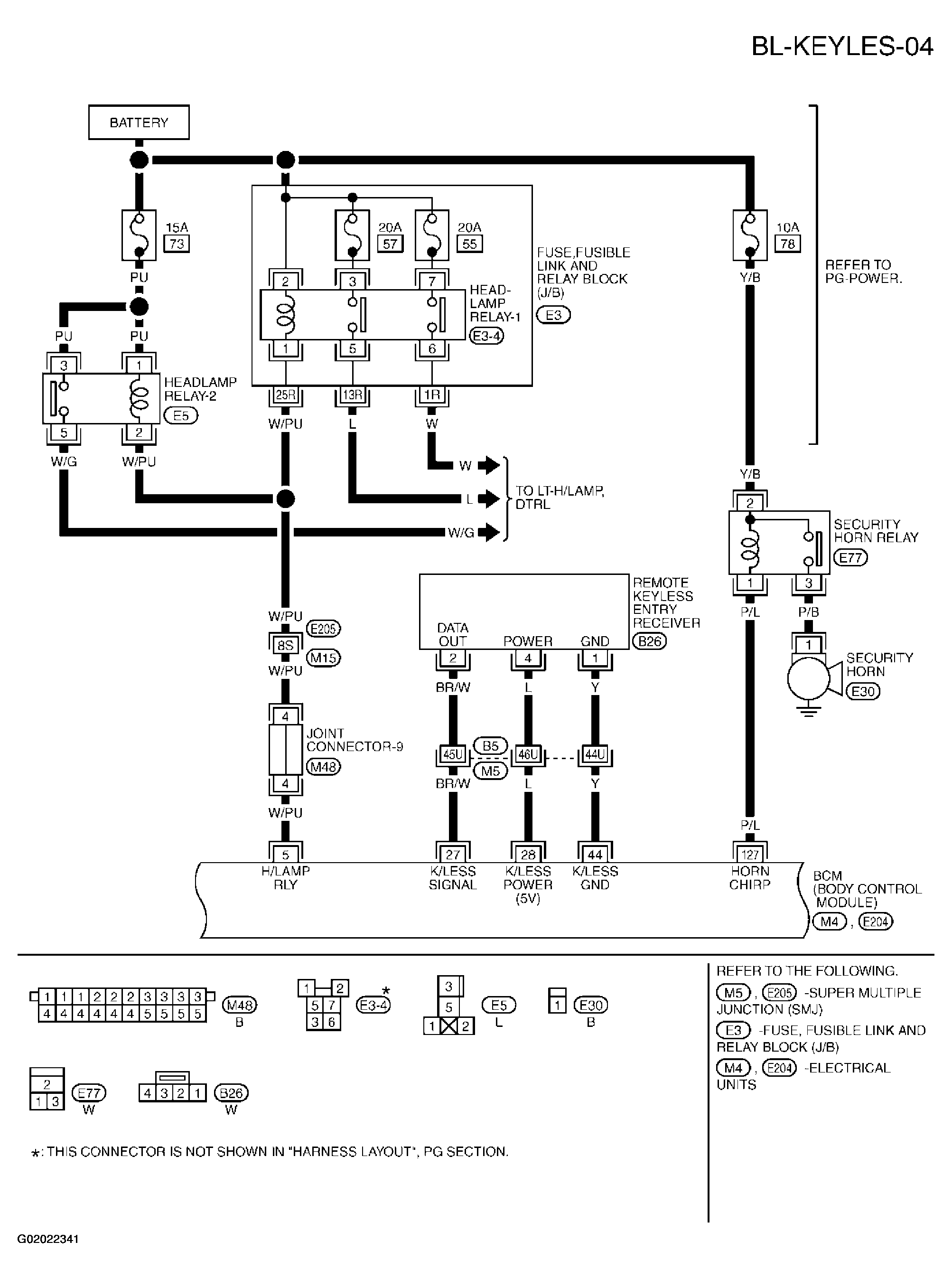
Fig 4: Wiring Diagram Of BL-KEYLESS-04
G02022341Courtesy of NISSAN MOTOR CO., U.S.A.
Fig 5: Wiring Diagram Of BL-KEYLESS-05
G02022342Courtesy of NISSAN MOTOR CO., U.S.A.
Fig 6: Wiring Diagram Of BL-KEYLESS-06
G02022343Courtesy of NISSAN MOTOR CO., U.S.A.
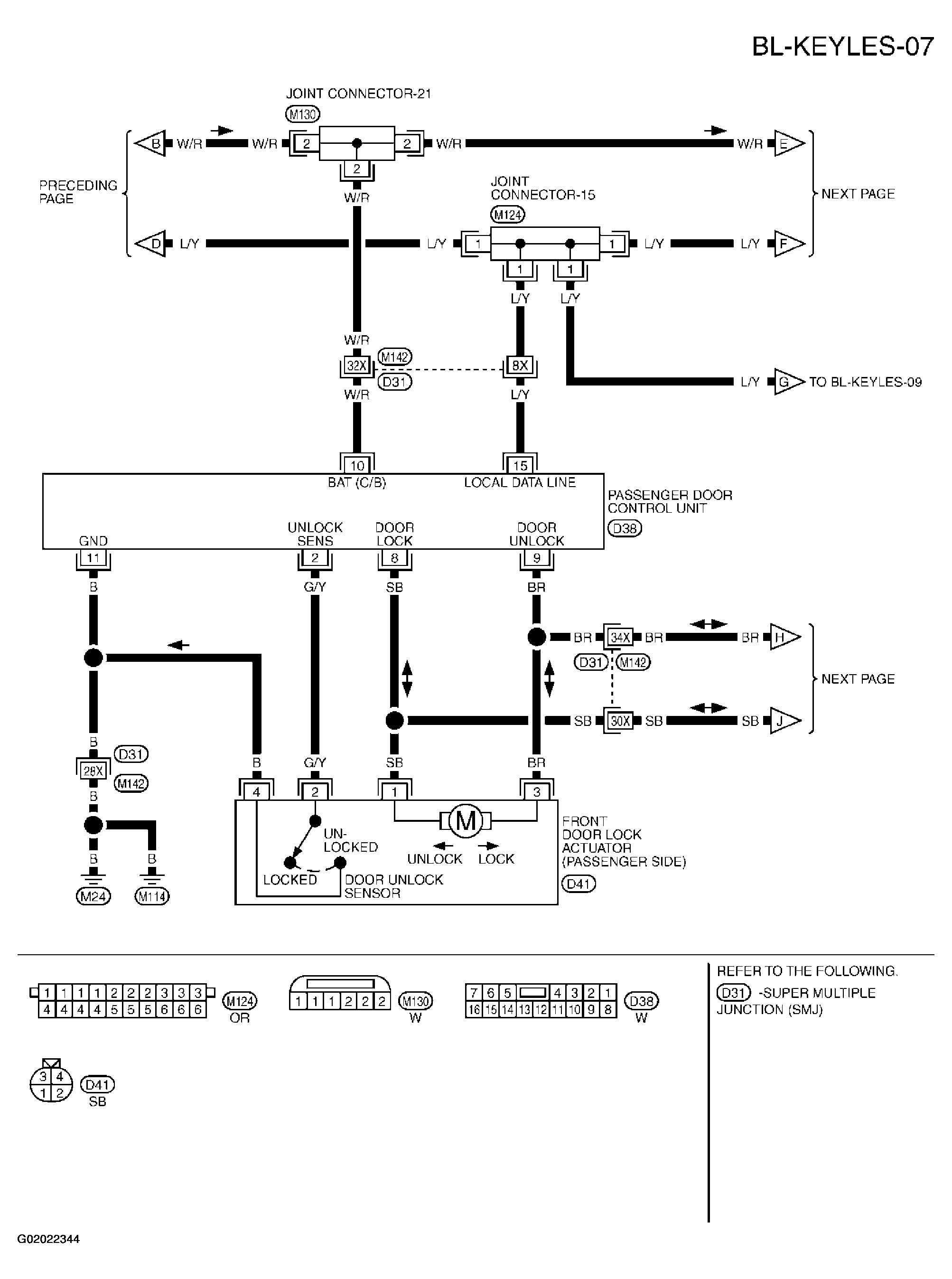
Fig 7: Wiring Diagram Of BL-KEYLESS-07
G02022344Courtesy of NISSAN MOTOR CO., U.S.A.
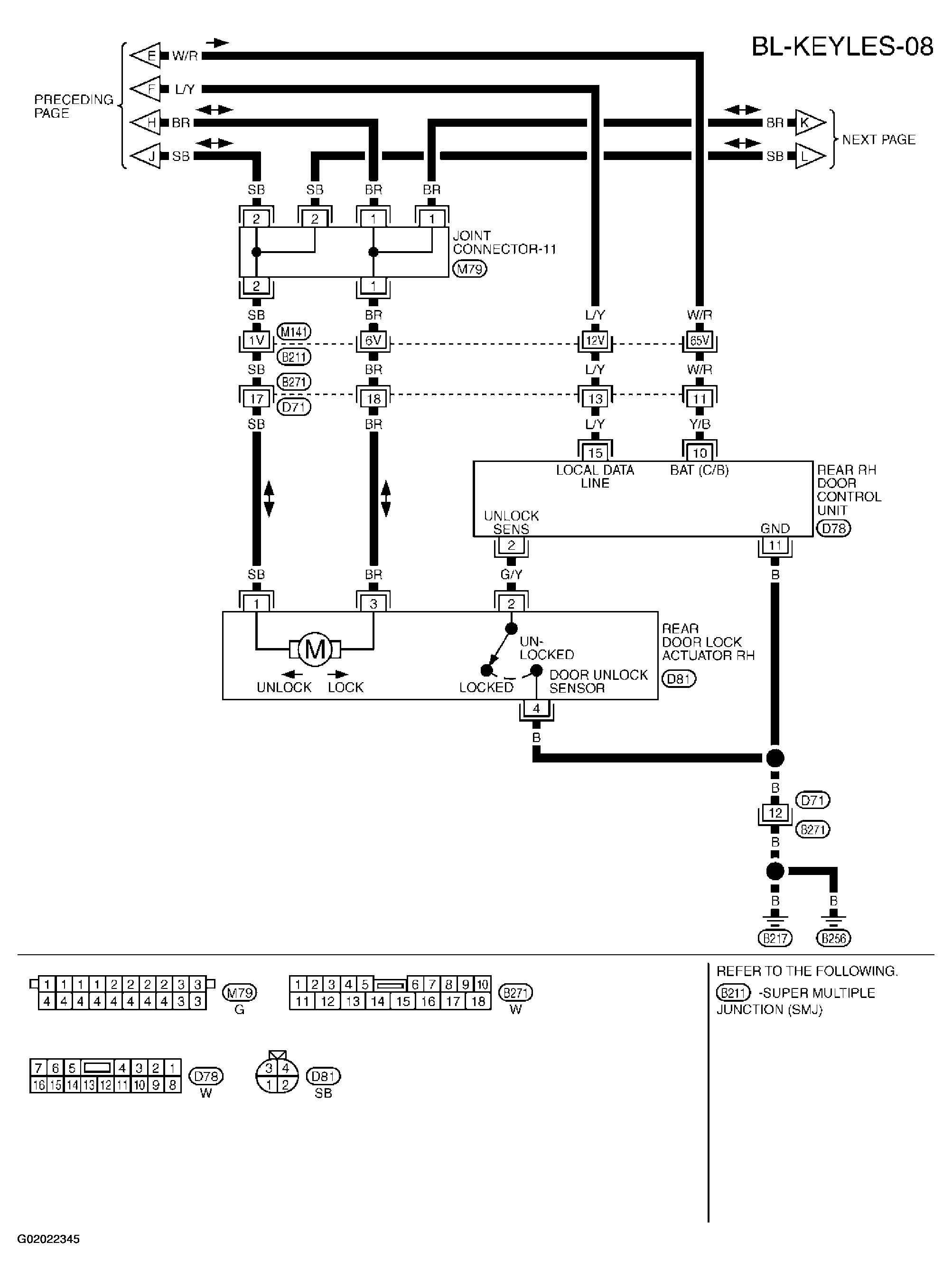
Fig 8: Wiring Diagram Of BL-KEYLESS-08
G02022345Courtesy of NISSAN MOTOR CO., U.S.A.
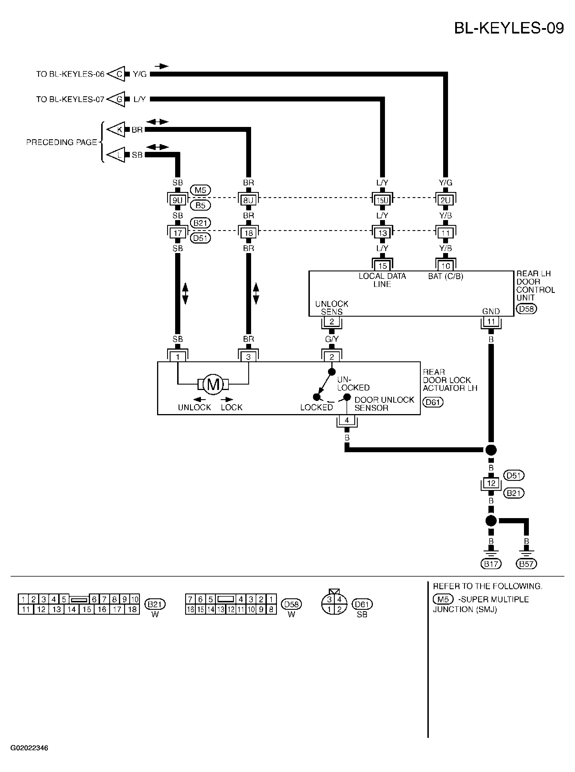
Fig 9: Wiring Diagram Of BL-KEYLESS-09
G02022346Courtesy of NISSAN MOTOR CO., U.S.A.