lemon-mirror:
Home >> Nissan-Datsun >> 2004 >> Sentra SE-R >> Repair and Diagnosis >> External Pages >> Different car >> Section 835 (Audio System) >> Audio >> Schematic/BOSE System

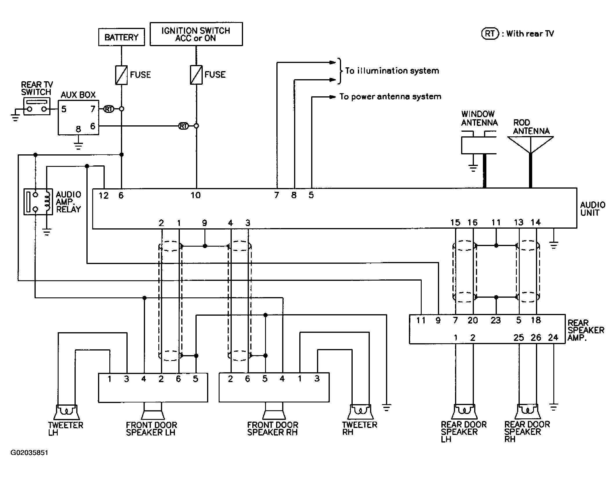
Schematic/BOSE System

WARNING: This page is about a different car, the 2003 Nissan Pathfinder. However, it is still accessible from the selected car via links, so may be relevant.
Fig 1: Audio System Schematic Diagram (Bose)
G02035851Courtesy of NISSAN MOTOR CO., U.S.A.