lemon-mirror:
Home >> Nissan-Datsun >> 2004 >> Sentra SE-R >> Repair and Diagnosis >> External Pages >> Different car >> Section 966 (Power Source) >> Location

Section 966 (Power Source): Location

WARNING: This page is about a different car, the 2003 Lexus LS 430. However, it is still accessible from the selected car via links, so may be relevant.
Fig 1: Identifying Power Source Components Location
G03376843Courtesy of © TOYOTA, LICENSE AGREEMENT TMS1002
Fig 2: Identifying Power Source Circuit Wiring Diagram (1 Of 7)
G03376844Courtesy of © TOYOTA, LICENSE AGREEMENT TMS1002
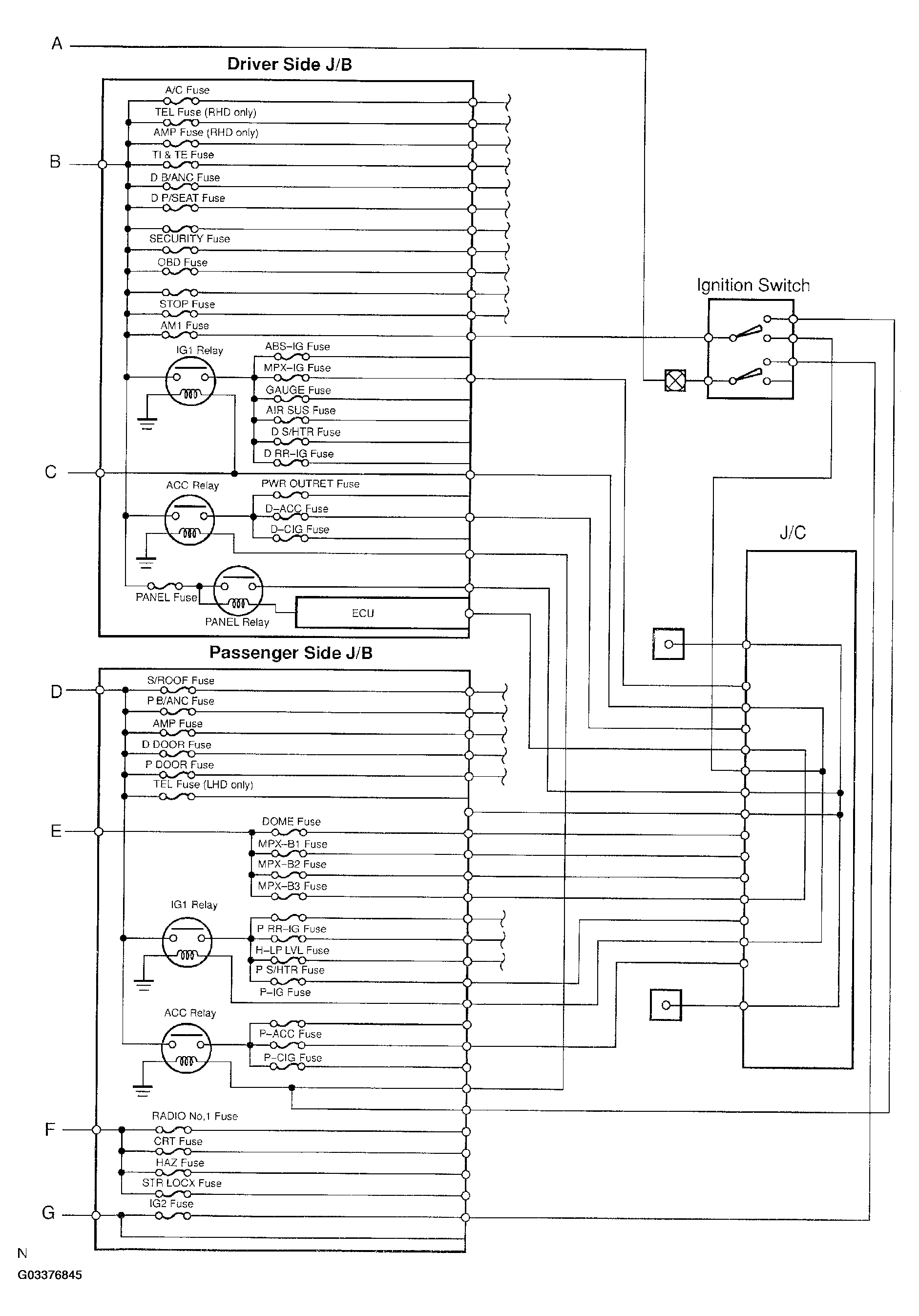
Fig 3: Identifying Power Source Circuit Wiring Diagram (2 Of 7)
G03376845Courtesy of © TOYOTA, LICENSE AGREEMENT TMS1002
Fig 4: Identifying Power Source Circuit Wiring Diagram (3 Of 7)
G03376846Courtesy of © TOYOTA, LICENSE AGREEMENT TMS1002
Fig 5: Identifying Power Source Circuit Wiring Diagram (4 Of 7)
G03376847Courtesy of © TOYOTA, LICENSE AGREEMENT TMS1002
Fig 6: Identifying Power Source Circuit Wiring Diagram (5 Of 7)
G03376848Courtesy of © TOYOTA, LICENSE AGREEMENT TMS1002
Fig 7: Identifying Power Source Circuit Wiring Diagram (6 Of 7)
G03376849Courtesy of © TOYOTA, LICENSE AGREEMENT TMS1002
Fig 8: Identifying Power Source Circuit Wiring Diagram (7 Of 7)
G03376850Courtesy of © TOYOTA, LICENSE AGREEMENT TMS1002