lemon-mirror:
Home >> Nissan-Datsun >> 2005 >> Altima SE-R, Automatic >> Repair and Diagnosis >> Accessories & Equipment >> Communication Devices >> Body Control System >> BCM (Body Control Module) >> Schematic

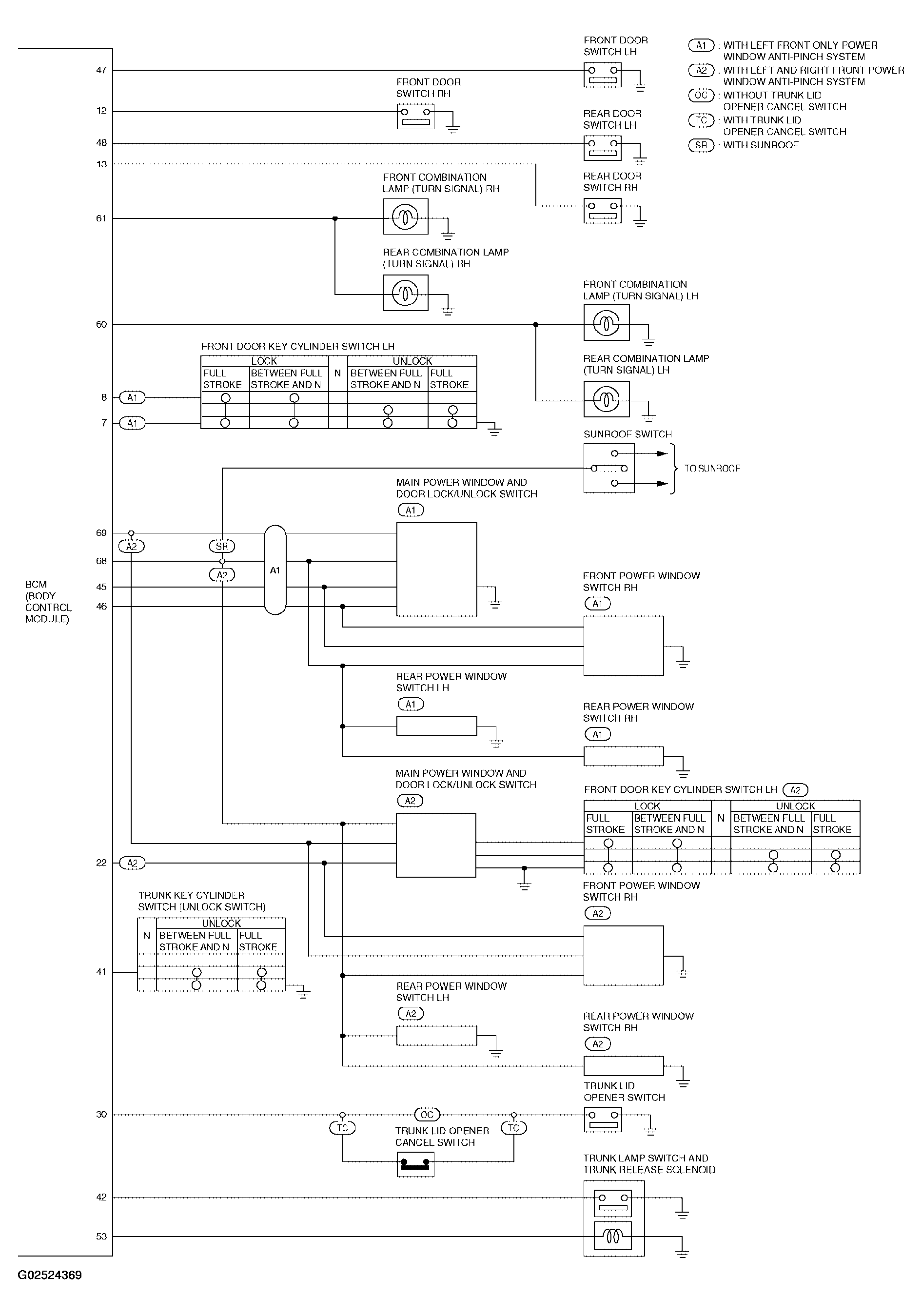
BCM (Body Control Module): Schematic

Fig 1: Schematic Diagram (1 Of 2)
G02524368Courtesy of NISSAN MOTOR CO., U.S.A.
Fig 2: Schematic Diagram (2 Of 2)
G02524369Courtesy of NISSAN MOTOR CO., U.S.A.