lemon-mirror:
Home >> Nissan-Datsun >> 2005 >> Altima SE-R, Automatic >> Repair and Diagnosis >> Engine Performance >> Engine Control System - VQ35DE >> ASCD Brake Switch >> Wiring Diagram

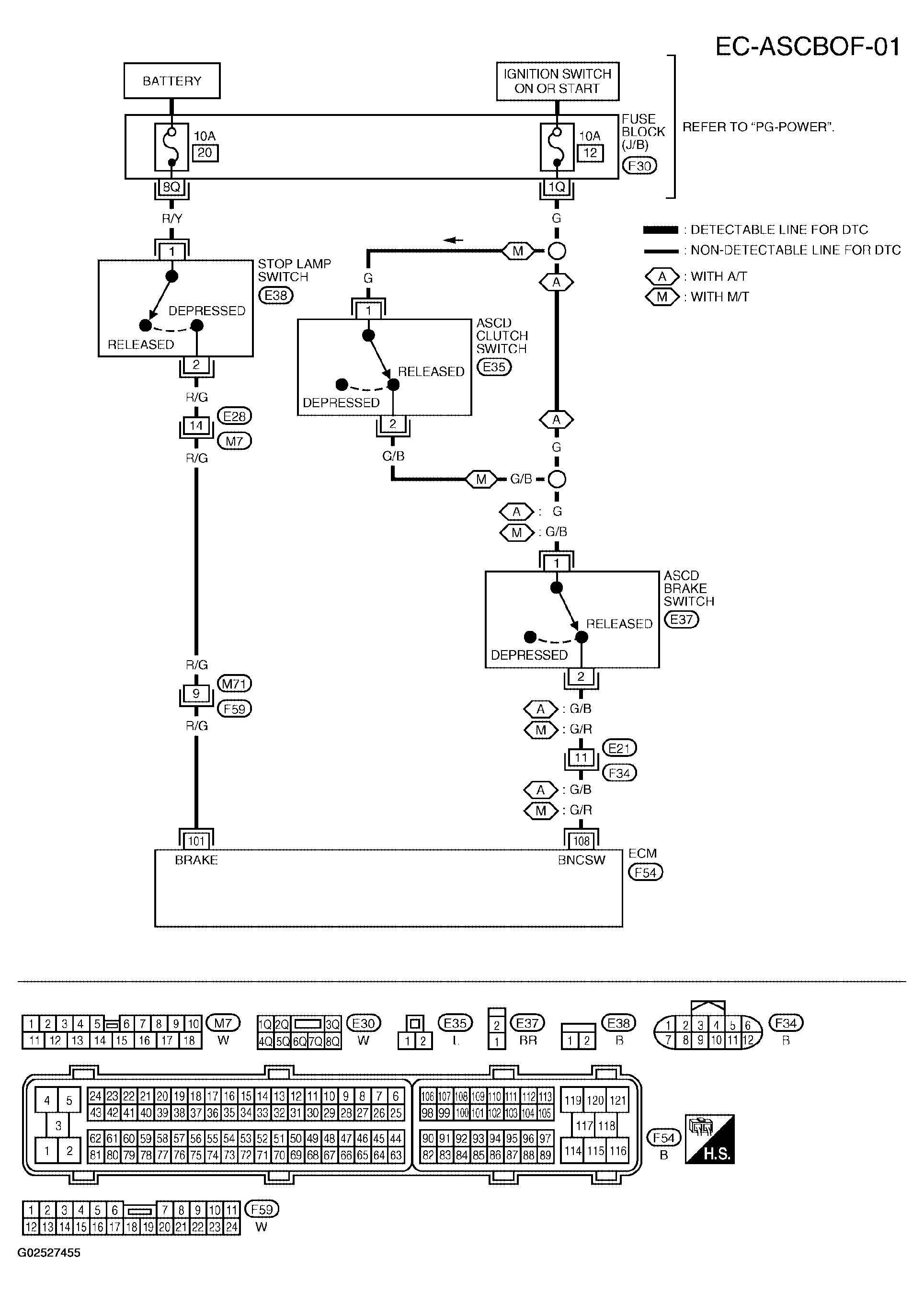
ASCD Brake Switch: Wiring Diagram

Fig 1: Wiring Diagram - EC-ASCBOF-01
G02527455Courtesy of NISSAN MOTOR CO., U.S.A.

Specification data are reference values and are measured between each terminal and ground.

CAUTION: Do not use ECM ground terminals when measuring input/output voltage. Doing so may result in damage to the ECM's transistor. Use a ground other than ECM terminals, such as the ground.
Fig 2: Terminals Specification Data And Reference Values Chart
G02527456Courtesy of NISSAN MOTOR CO., U.S.A.