lemon-mirror:
Home >> Nissan-Datsun >> 2005 >> Frontier XE, Automatic >> Repair and Diagnosis >> Engine Performance >> System >> Engine Control System (Qr) - Introduction >> Engine Control System >> System Diagram

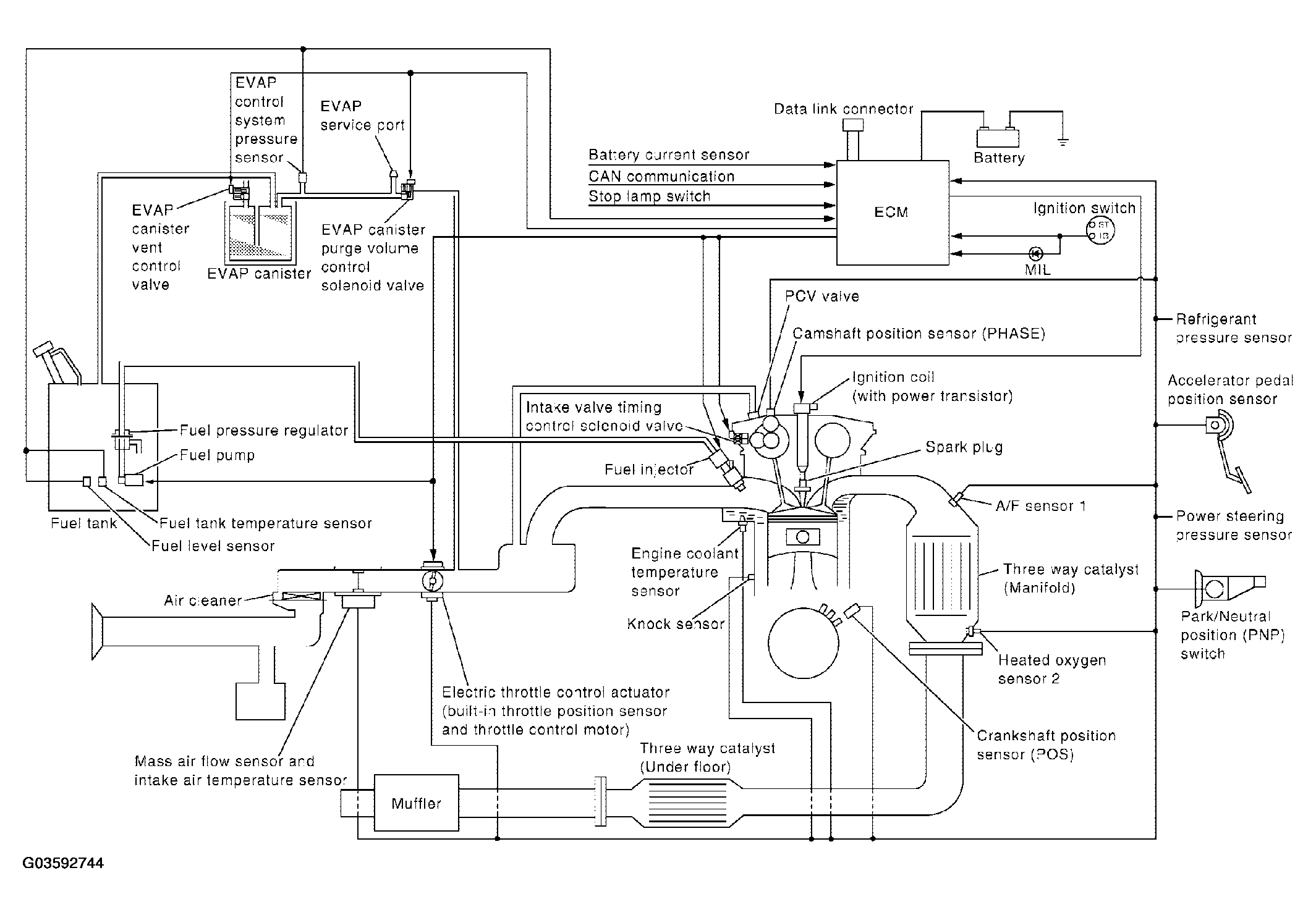
System Diagram

Fig 1: Engine Control System - System Diagram
G03592744Courtesy of NISSAN MOTOR CO., U.S.A.