lemon-mirror:
Home >> Nissan-Datsun >> 2005 >> Pathfinder LE, RWD >> Repair and Diagnosis >> Engine Performance >> Engine Control System >> ASCD Brake Switch >> Wiring Diagram

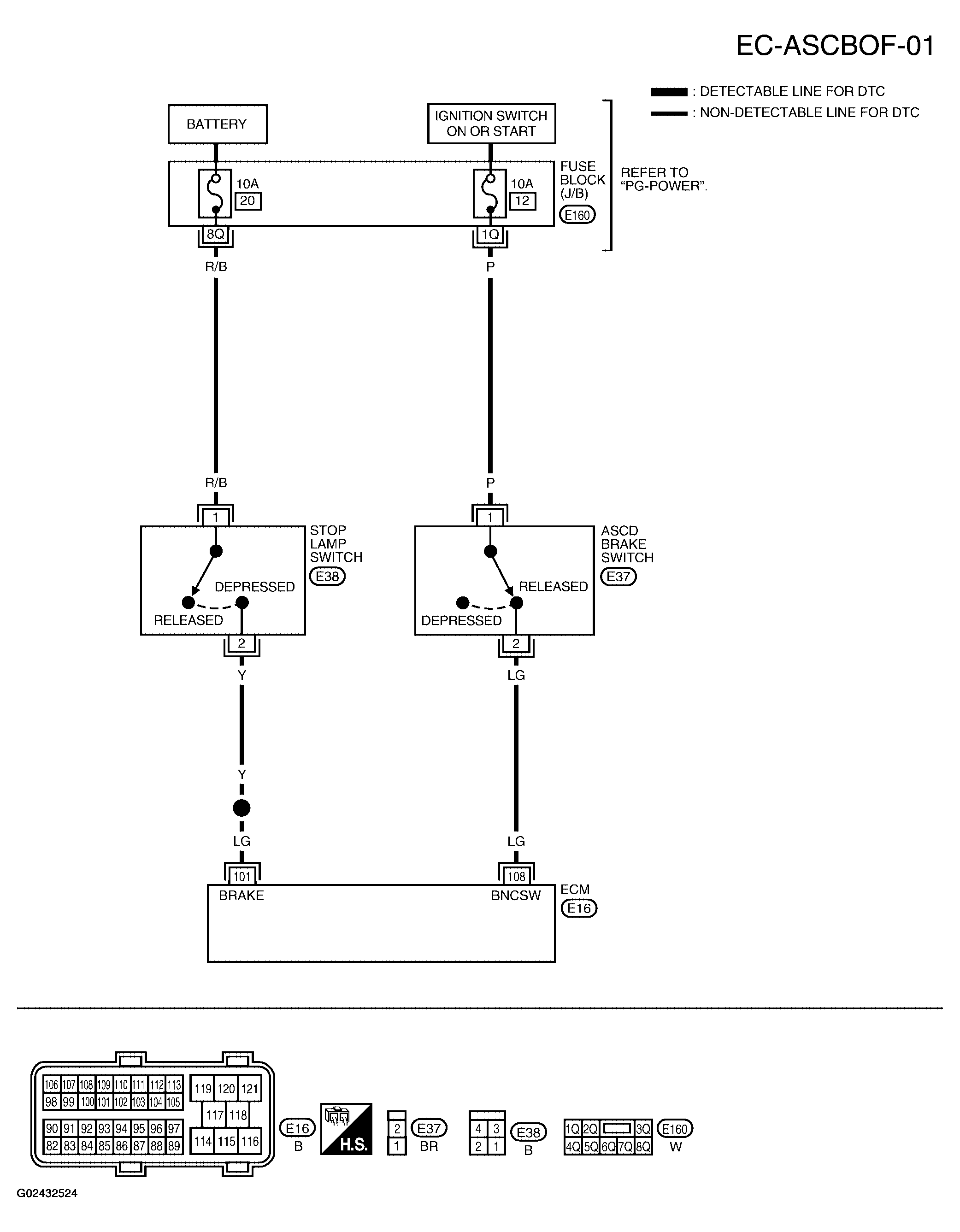
ASCD Brake Switch: Wiring Diagram

Fig 1: Wiring Diagram - ASCD Brake Switch (EC-ASCBOF-01)
G02432524Courtesy of NISSAN MOTOR CO., U.S.A.

Specification data are reference values and are measured between each terminal and ground.

CAUTION: Do not use ECM ground terminals when measuring input/output voltage. Doing so may result in damage to the ECM's transistor. Use a ground other than ECM terminals, such as the ground.
Fig 2: ECM Terminal Voltage Reference Chart - ASCD Brake Switch & Stop Lamp Circuits
G02432525Courtesy of NISSAN MOTOR CO., U.S.A.