lemon-mirror:
Home >> Nissan-Datsun >> 2005 >> Quest Base >> Repair and Diagnosis >> Engine Performance >> Engine Control System >> Injector Circuit >> Wiring Diagram

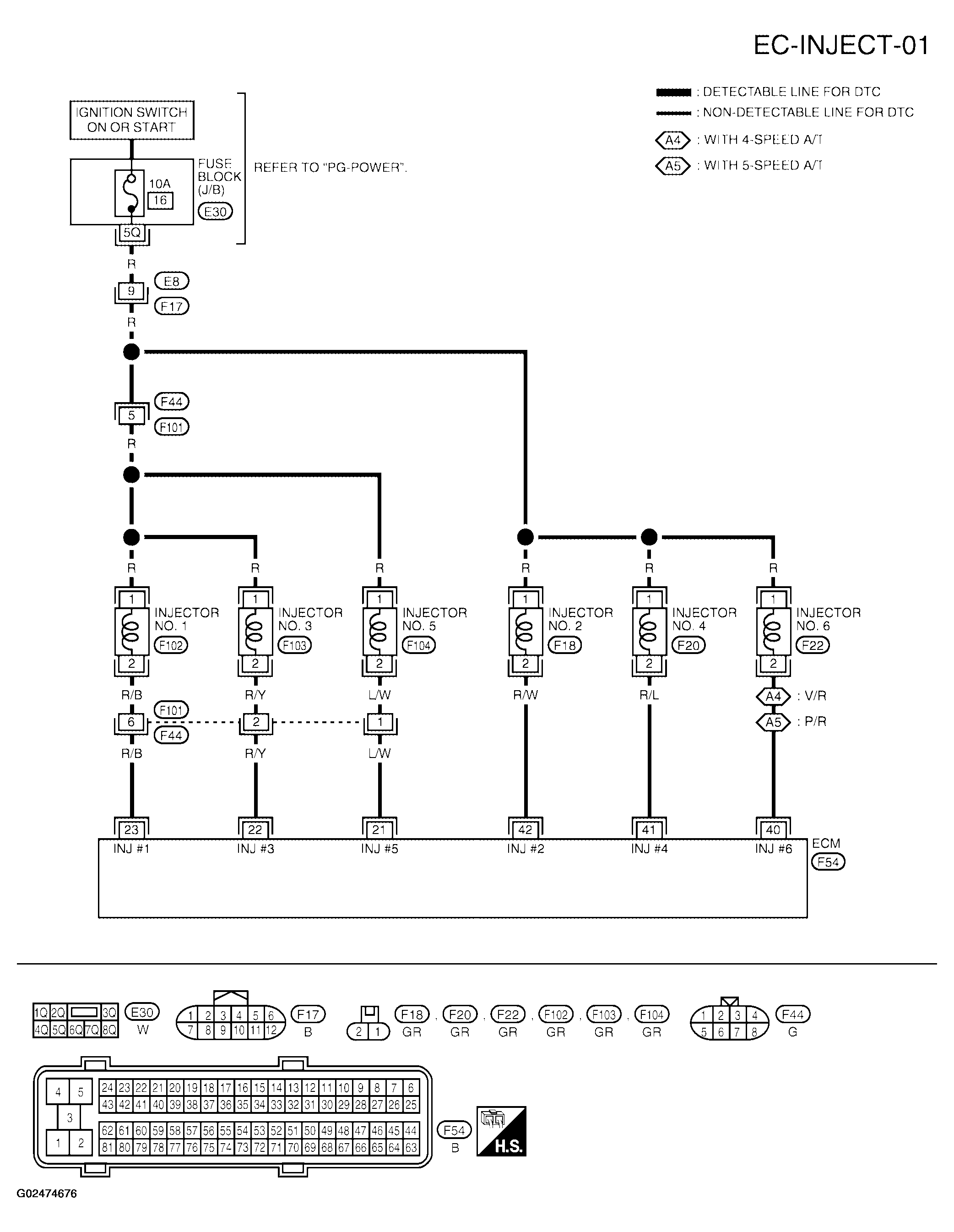
Injector Circuit: Wiring Diagram

Fig 1: Wiring Diagram - Injector Circuit - EC-INJECT-01
G02474676Courtesy of NISSAN MOTOR CO., U.S.A.

Specification data are reference values and are measured between each terminal and ground.

Pulse signal is measured by CONSULT-II.

CAUTION: Do not use ECM ground terminals when measuring input/output voltage. Doing so may result in dam
Fig 2: Terminals Reference Value Chart
G02474677Courtesy of NISSAN MOTOR CO., U.S.A.