lemon-mirror:
Home >> Nissan-Datsun >> 2005 >> Sentra Base, Automatic >> Repair and Diagnosis >> Engine Performance >> Engine Control System (QG18DE) >> Engine Control System >> System Diagram

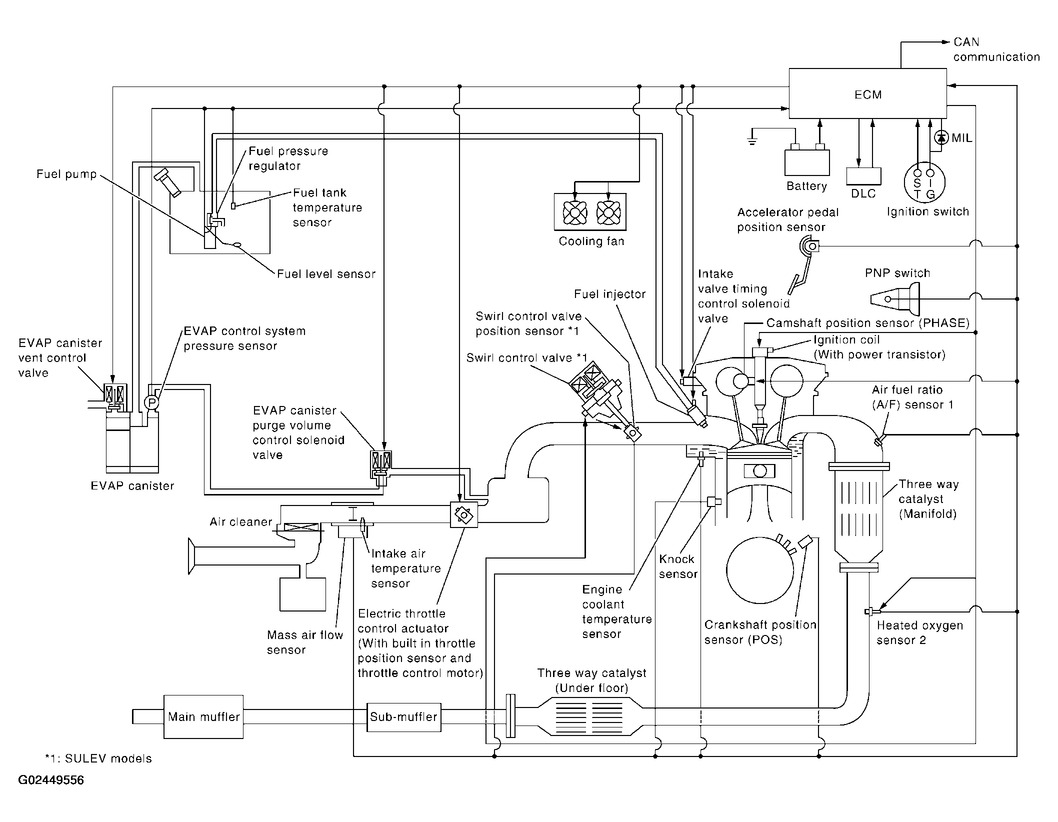
System Diagram

Fig 1: Engine Control System Diagram
G02449556Courtesy of NISSAN MOTOR CO., U.S.A.