lemon-mirror:
Home >> Nissan-Datsun >> 2005 >> Sentra SE-R Spec V >> Repair and Diagnosis >> Brakes >> Traction Control >> Brake Control System >> Description >> Schematic

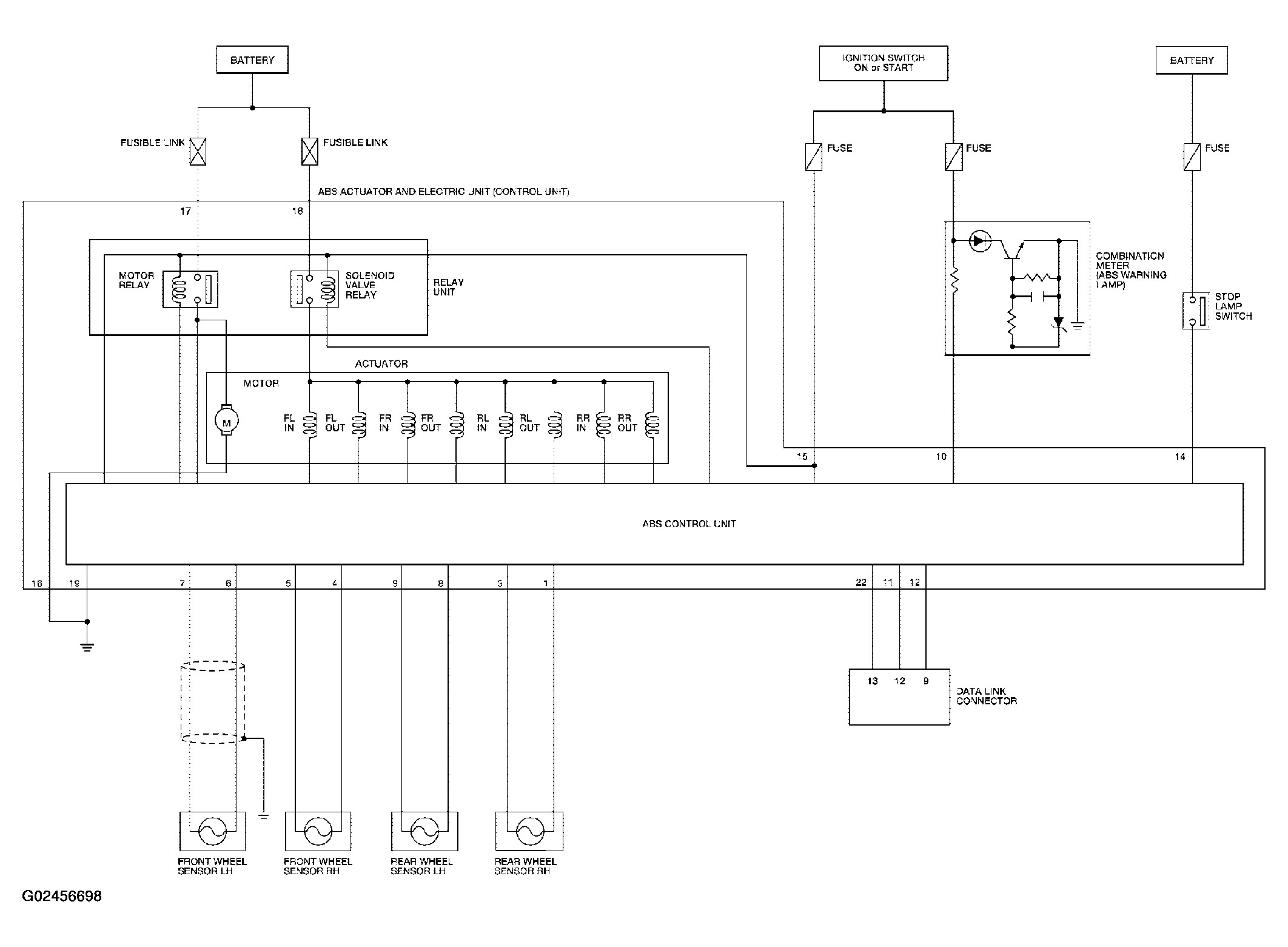
Brake Control System: Description: Schematic

Fig 1: Anti-Lock Brake System Schematic Diagram
G02456698Courtesy of NISSAN MOTOR CO., U.S.A.