lemon-mirror:
Home >> Nissan-Datsun >> 2005 >> Sentra SE-R >> Repair and Diagnosis >> Accessories & Equipment >> Communication Devices >> Body Control System >> Smart Entrance Control Unit >> Schematic

Smart Entrance Control Unit: Schematic

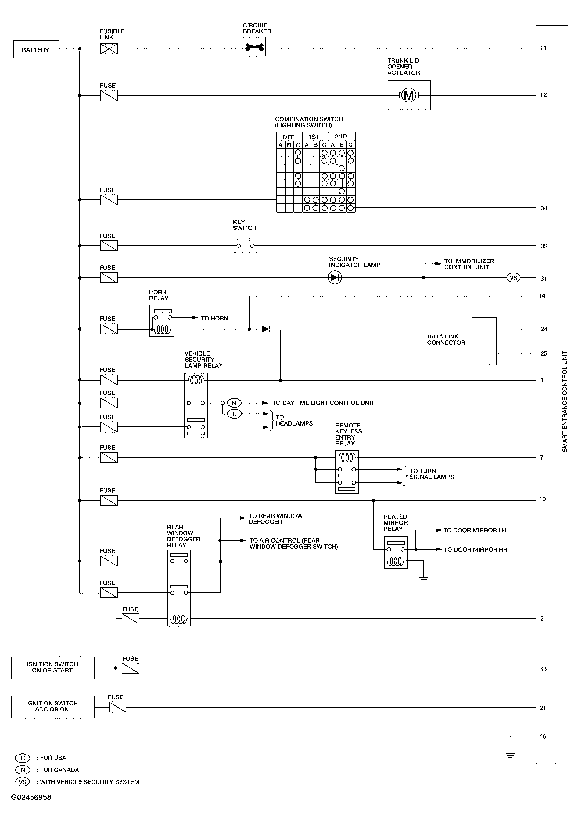
Fig 1: Schematic Diagram - Smart Entrance Control (1 Of 2)
G02456958Courtesy of NISSAN MOTOR CO., U.S.A.
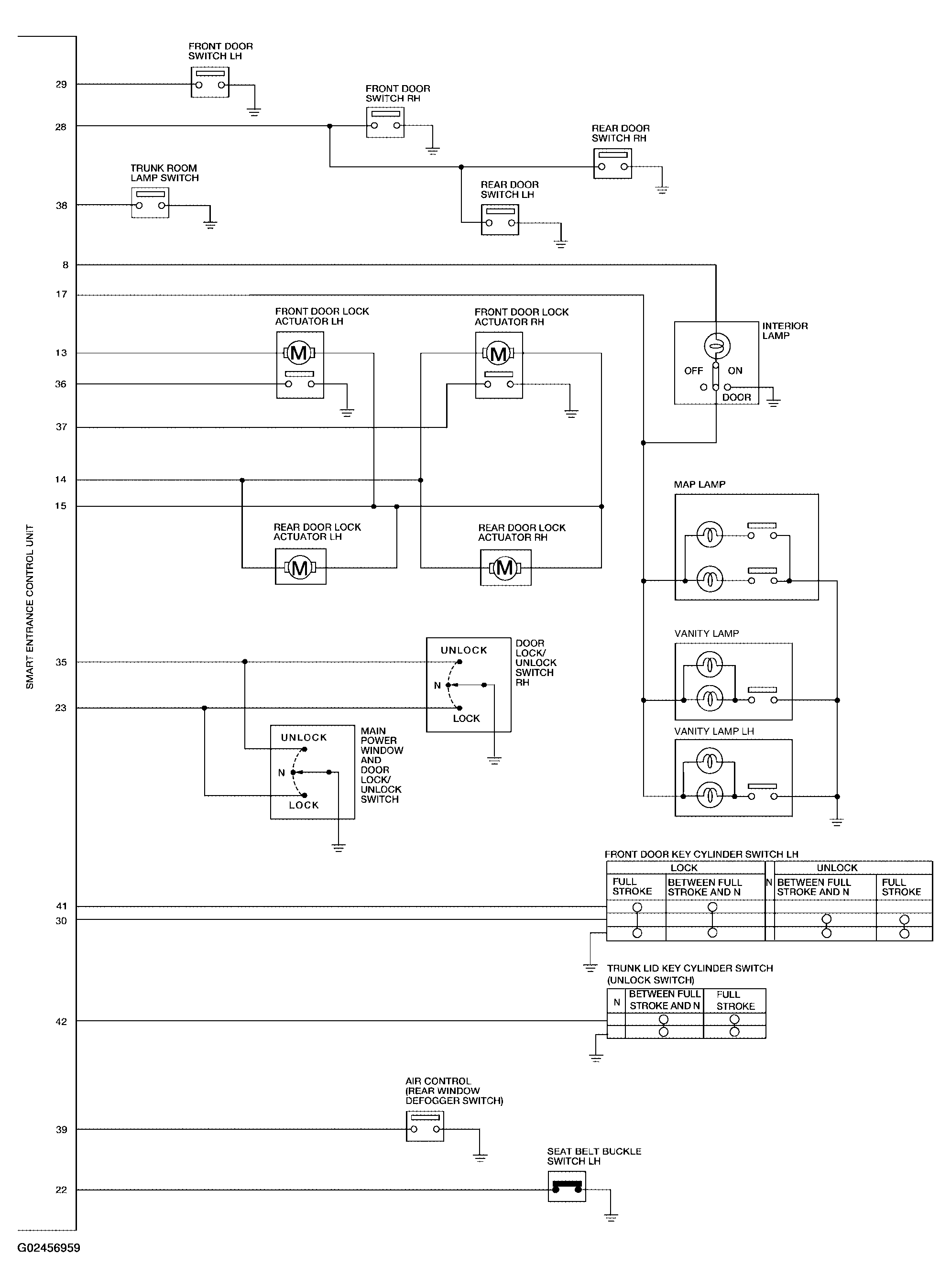
Fig 2: Schematic Diagram - Smart Entrance Control (2 Of 2)
G02456959Courtesy of NISSAN MOTOR CO., U.S.A.