lemon-mirror:
Home >> Nissan-Datsun >> 2005 >> Sentra SE-R >> Repair and Diagnosis >> Engine Performance >> System >> Engine Control System - Component Testing (Qr25DE) >> Electrical Load Signal >> Wiring Diagram >> A/T Models Except ULEV

A/T Models Except ULEV

Fig 1: Wiring Diagram - Electrical Load Signal, A/T Models Except ULEV (EC-LOAD-01)
G02454342Courtesy of NISSAN MOTOR CO., U.S.A.

Specification data are reference values and are measured between each terminal and ground.

CAUTION: Do not use ECM ground terminals when measuring input/output voltage. Doing so may result in damage to the ECM's transistor. Use a ground other than ECM terminals, such as the ground.
Fig 2: ECM Terminal Values Chart - Electrical Load Signal (Headlamp Circuit)
G02454343Courtesy of NISSAN MOTOR CO., U.S.A.
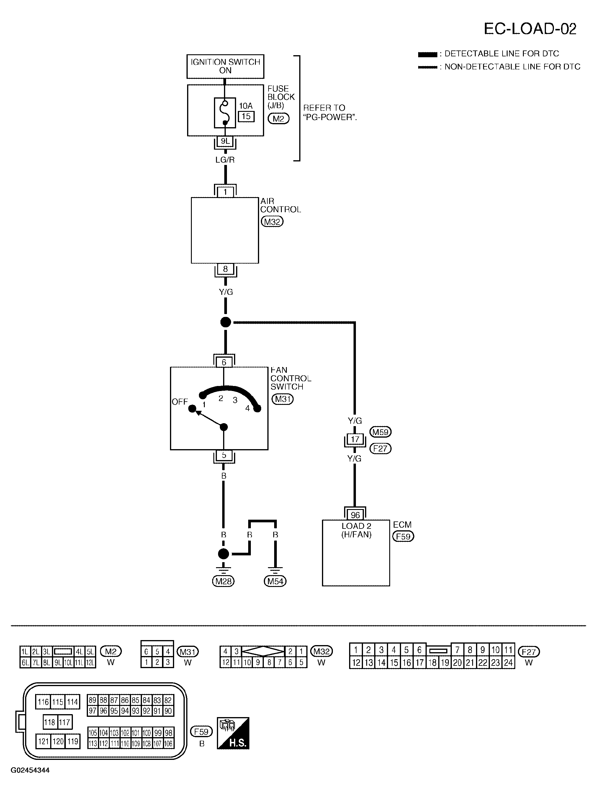
Fig 3: Wiring Diagram - Electrical Load Signal, A/T Models Except ULEV (EC-LOAD-02)
G02454344Courtesy of NISSAN MOTOR CO., U.S.A.

Specification data are reference values and are measured between each terminal and ground.

CAUTION: Do not use ECM ground terminals when measuring input/output voltage. Doing so may result in damage to the ECM's transistor. Use a ground other than ECM terminals, such as the ground.
Fig 4: ECM Terminal Values Chart - Heater Fan Switch
G02454345Courtesy of NISSAN MOTOR CO., U.S.A.
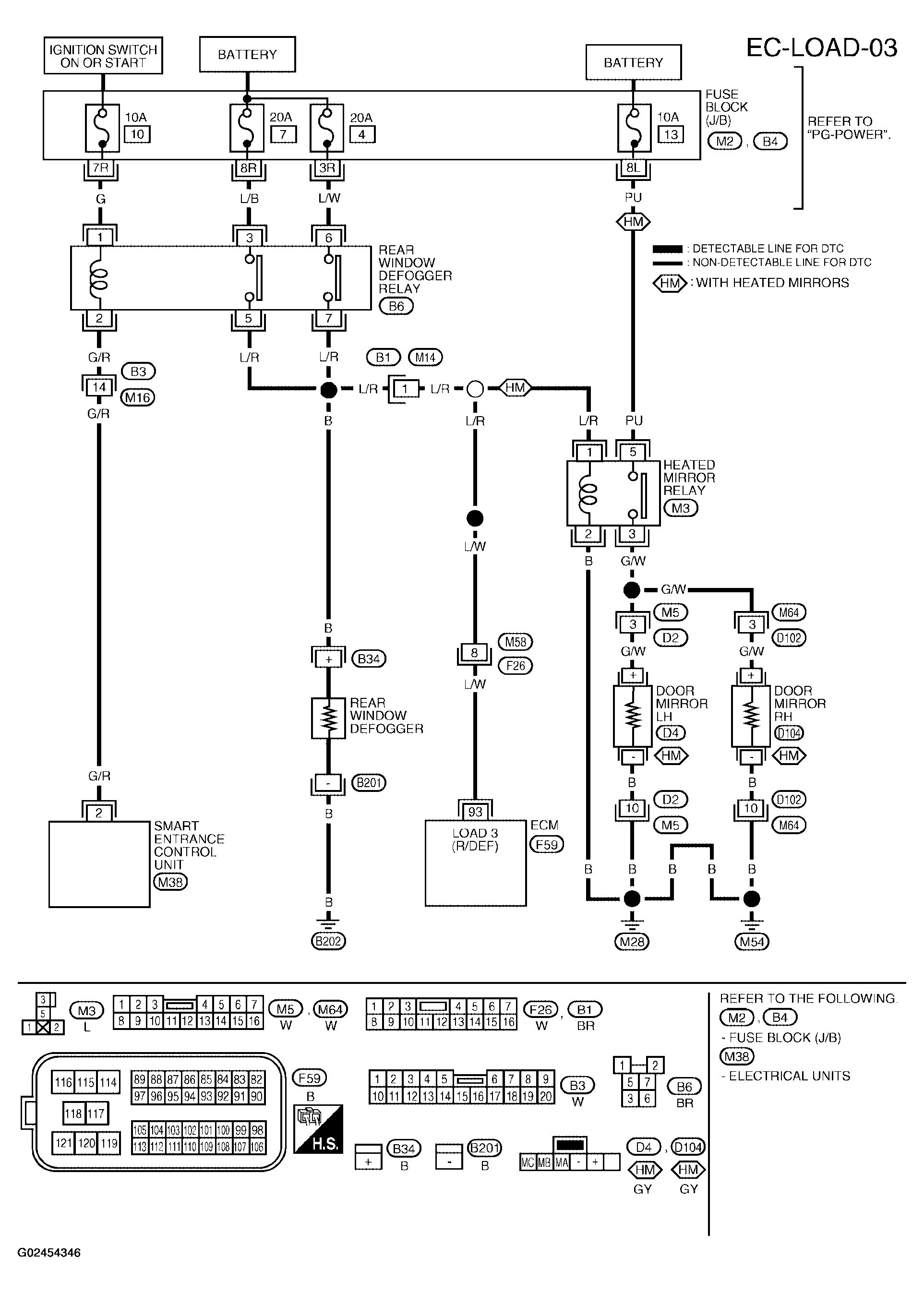
Fig 5: Wiring Diagram - Electrical Load Signal, A/T Models Except ULEV (EC-LOAD-03)
G02454346Courtesy of NISSAN MOTOR CO., U.S.A.

Specification data are reference values and are measured between each terminal and ground.

CAUTION: Do not use ECM ground terminals when measuring input/output voltage. Doing so may result in damage to the ECM's transistor. Use a ground other than ECM terminals, such as the ground.
Fig 6: ECM Terminal Values Chart - Electrical Load Signal (Rear Window Defogger)
G02454347Courtesy of NISSAN MOTOR CO., U.S.A.