lemon-mirror:
Home >> Nissan-Datsun >> 2006 >> Altima SE-R, Automatic >> Repair and Diagnosis >> Engine Performance >> System >> Engine Control System - Component Testing (VQ35DE) >> ASCD Brake Switch >> Wiring Diagram

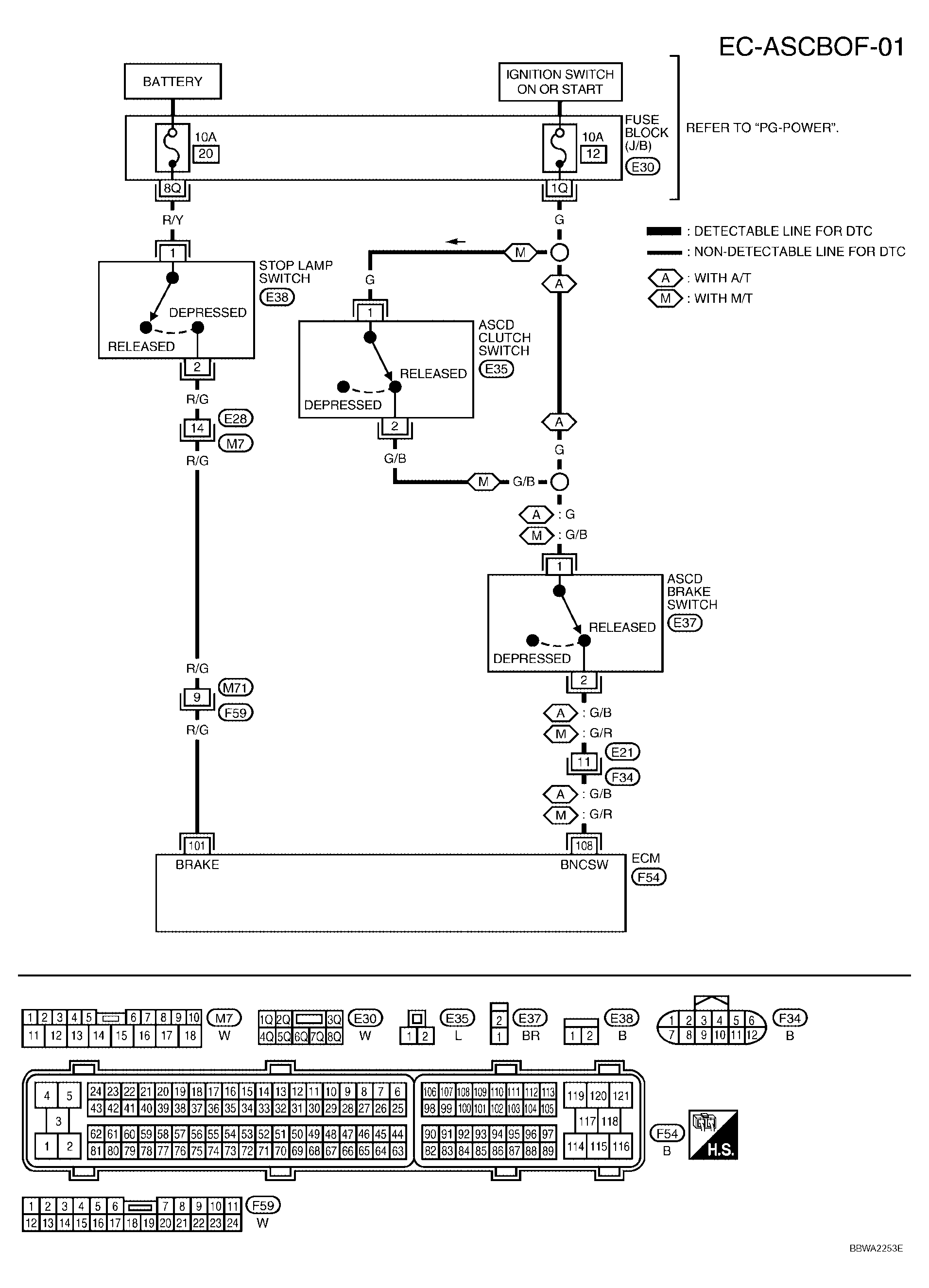
ASCD Brake Switch: Wiring Diagram

NOTE: For PG-POWER references, refer to POWER SUPPLY, GROUND & CIRCUIT ELEMENTS .
Fig 1: Identifying Wiring Diagram (EC-ASCBOF-01)
G04167543Courtesy of NISSAN MOTOR CO., U.S.A.

Specification data are reference values and are measured between each terminal and ground.

CAUTION: Do not use ECM ground terminals when measuring input/output voltage. Doing so may result in damage to the ECM's transistor. Use a ground other than ECM terminals, such as the ground.
TERMINAL SPECIFICATION DATA

TERMINAL NO. WIRE COLOR ITEM CONDITION DATA (DC Voltage)
101 R/G Stop lamp switch [Ignition switch: OFF] 
  • Brake pedal: Fully released
Approximately 0V
[Ignition switch: OFF] 
  • Brake pedal: Slightly depressed
BATTERY VOLTAGE (11 - 14V)
108 G/B (A/T)
G/R (M/T)
ASCD brake switch [Ignition switch: ON] 
  • Brake pedal: Fully released (A/T)
  • Clutch pedal and brake pedal: Fully released (M/T)
BATTERY VOLTAGE (11 - 14V)
[Ignition switch: ON] 
  • Brake pedal: Slightly depressed (A/T)
  • Clutch pedal and/or brake pedal: Slightly depressed (M/T)
Approximately 0V