lemon-mirror:
Home >> Nissan-Datsun >> 2006 >> Altima SE-R, Automatic >> Repair and Diagnosis >> Engine Performance >> System >> Engine Control System - Component Testing (VQ35DE) >> Fuel Injector >> Wiring Diagram

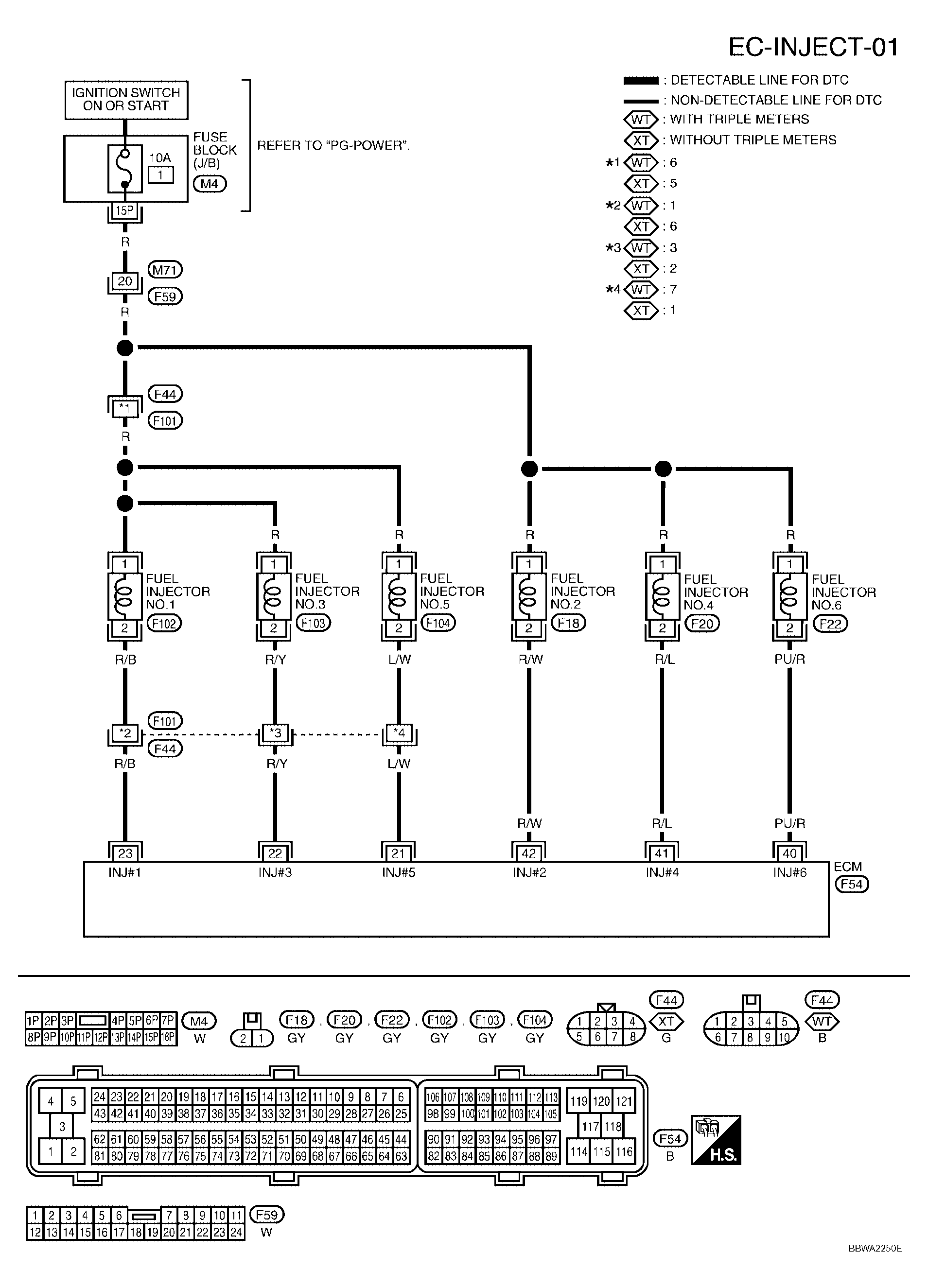
Fuel Injector: Wiring Diagram

NOTE: For PG-POWER references, refer to POWER SUPPLY, GROUND & CIRCUIT ELEMENTS .
Fig 1: Identifying Wiring Diagram (EC-INJECT-01)
G04167568Courtesy of NISSAN MOTOR CO., U.S.A.

Specification data are reference values and are measured between each terminal and ground.

Pulse signal is measured by CONSULT-II.

CAUTION: Do not use ECM ground terminals when measuring input/output voltage. Doing so may result in damage to the ECM's transistor. Use a ground other than ECM terminals, such as the ground.
TERMINAL SPECIFICATION DATA

TERMINAL NO. WIRE COLOR ITEM CONDITION DATA (DC Voltage)
21
22
23
L/W
R/Y
R/B
Fuel injector No. 5
Fuel injector No. 3
Fuel injector No. 1
[Engine is running] 
  • Warm-up condition 
  • Idle speed
    NOTE: The pulse cycle changes depending on rpm at idle.
BATTERY VOLTAGE (11 - 14V)(1)
G04080414Courtesy of NISSAN MOTOR CO., U.S.A.
[Engine is running] 
  • Warm-up condition 
  • Engine speed: 2, 000 rpm
BATTERY VOLTAGE (11 - 14V)(1)
G04173127Courtesy of NISSAN MOTOR CO., U.S.A.
40
41
42
PU/R
R/L
R/W
Fuel injector No. 6
Fuel injector No. 4
Fuel injector No. 2
[Engine is running] 
  • Warm-up condition 
  • Idle speed
    NOTE: The pulse cycle changes depending on rpm at idle.
BATTERY VOLTAGE (11 - 14V)(1)
G04080414Courtesy of NISSAN MOTOR CO., U.S.A.
[Engine is running] 
  • Warm-up condition 
  • Engine speed: 2, 000 rpm
BATTERY VOLTAGE (11 - 14V)(1)
G04173127Courtesy of NISSAN MOTOR CO., U.S.A.
(1) Average voltage for pulse signal (Actual pulse signal can be confirmed by oscilloscope.)