lemon-mirror:
Home >> Nissan-Datsun >> 2006 >> Altima SE-R, Standard >> Repair and Diagnosis >> Electrical >> Gauges >> Driver Information System >> Board Computer >> Schematic

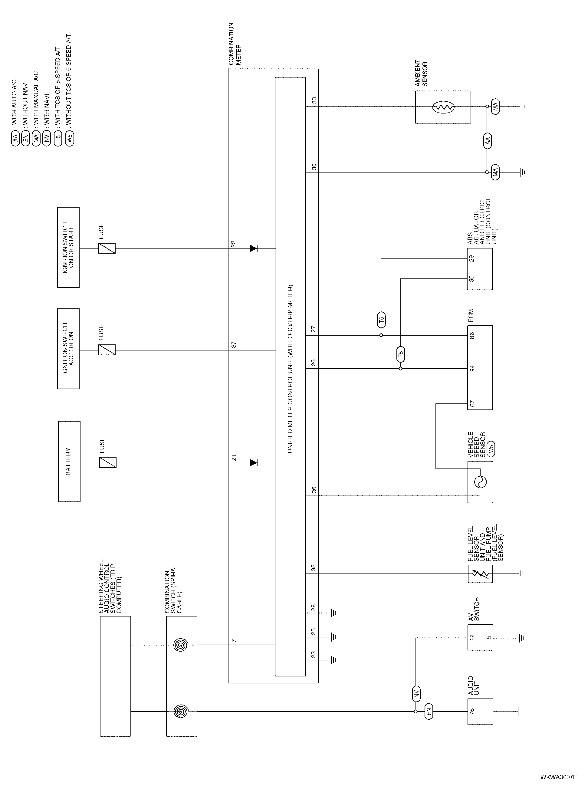
Board Computer: Schematic

Fig 1: Board Computer Schematic Diagram
G04171179Courtesy of NISSAN MOTOR CO., U.S.A.