lemon-mirror:
Home >> Nissan-Datsun >> 2006 >> Sentra Base, Automatic >> Repair and Diagnosis >> Engine Performance >> System >> Engine Control System - Introduction (QG18DE) >> Engine Control System >> System Diagram

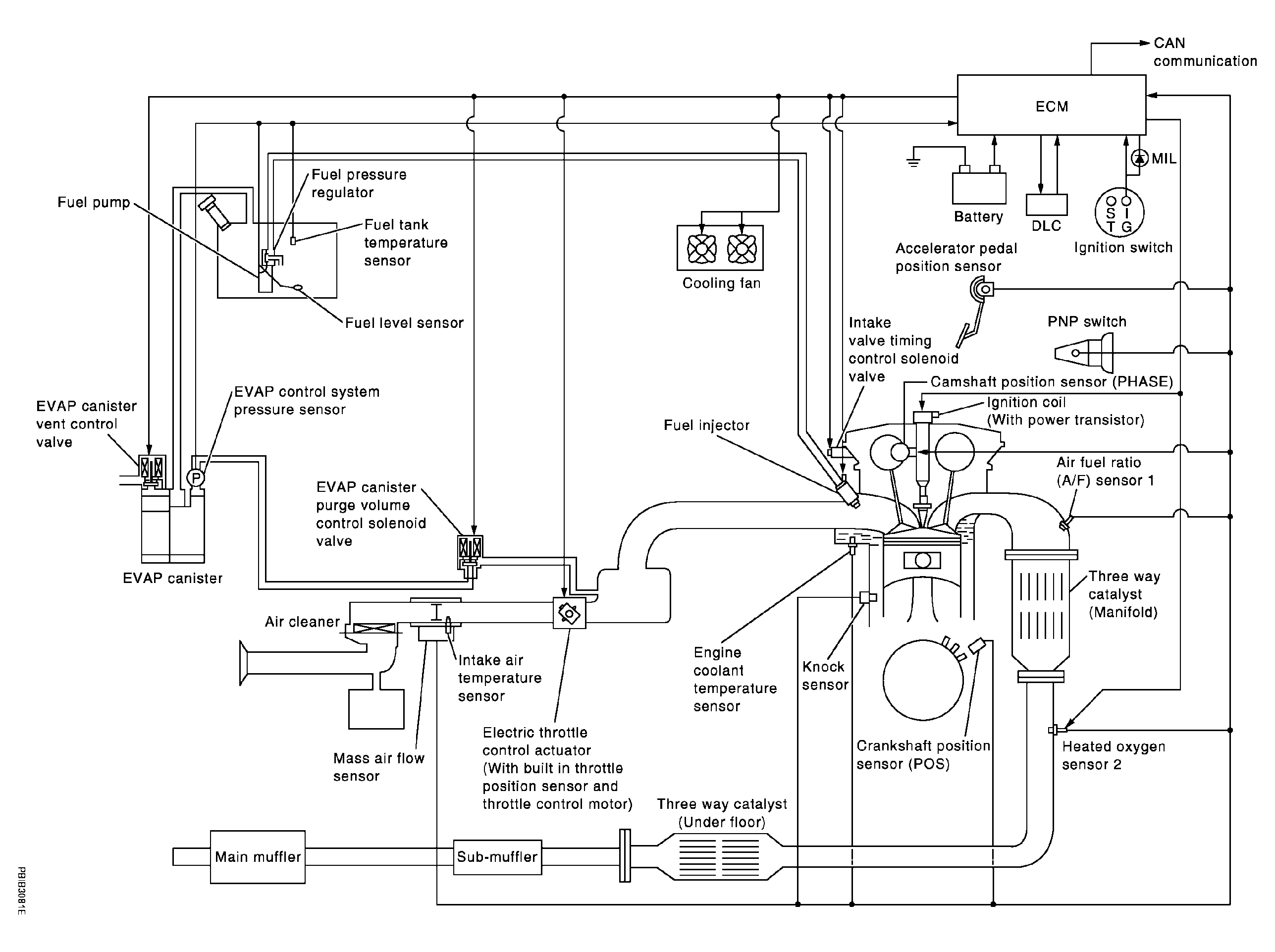
System Diagram

Fig 1: Engine Control System Diagram
G04190759Courtesy of NISSAN MOTOR CO., U.S.A.