lemon-mirror:
Home >> Nissan-Datsun >> 2006 >> Sentra SE-R >> Repair and Diagnosis >> Accessories & Equipment >> Communication Devices >> Body Control System >> Smart Entrance Control Unit >> Schematic

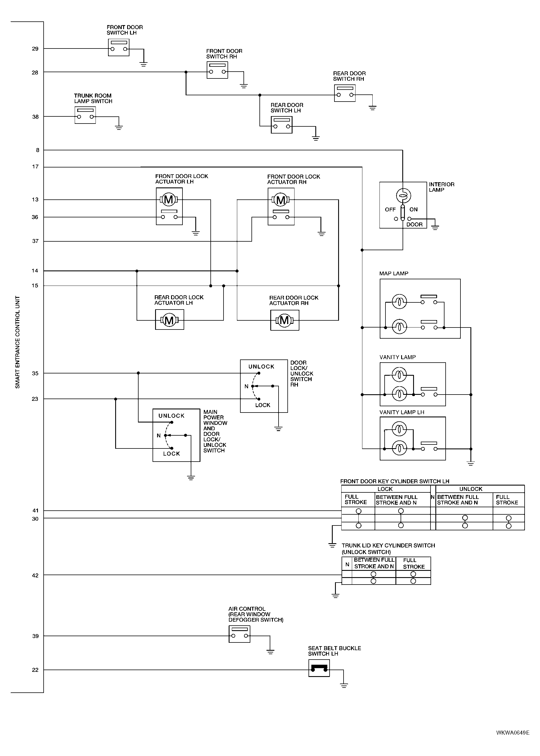
Smart Entrance Control Unit: Schematic

Fig 1: Smart Entrance Control Unit Schematic Diagram (1 Of 2)
G04195510Courtesy of NISSAN MOTOR CO., U.S.A.
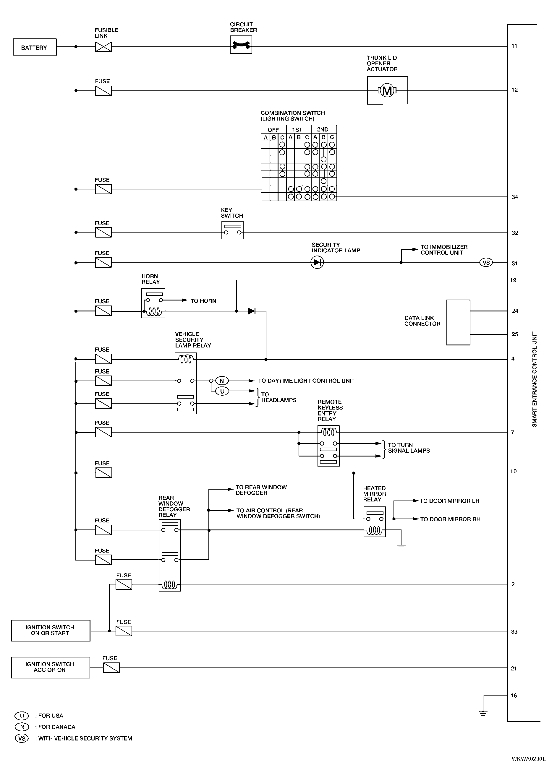
Fig 2: Smart Entrance Control Unit Schematic Diagram (2 Of 2)
G04195511Courtesy of NISSAN MOTOR CO., U.S.A.