lemon-mirror:
Home >> Nissan-Datsun >> 2006 >> Sentra SE-R >> Repair and Diagnosis >> Body & Frame >> Door Locks >> Body, Lock & Security System >> Remote Keyless Entry System >> Schematic

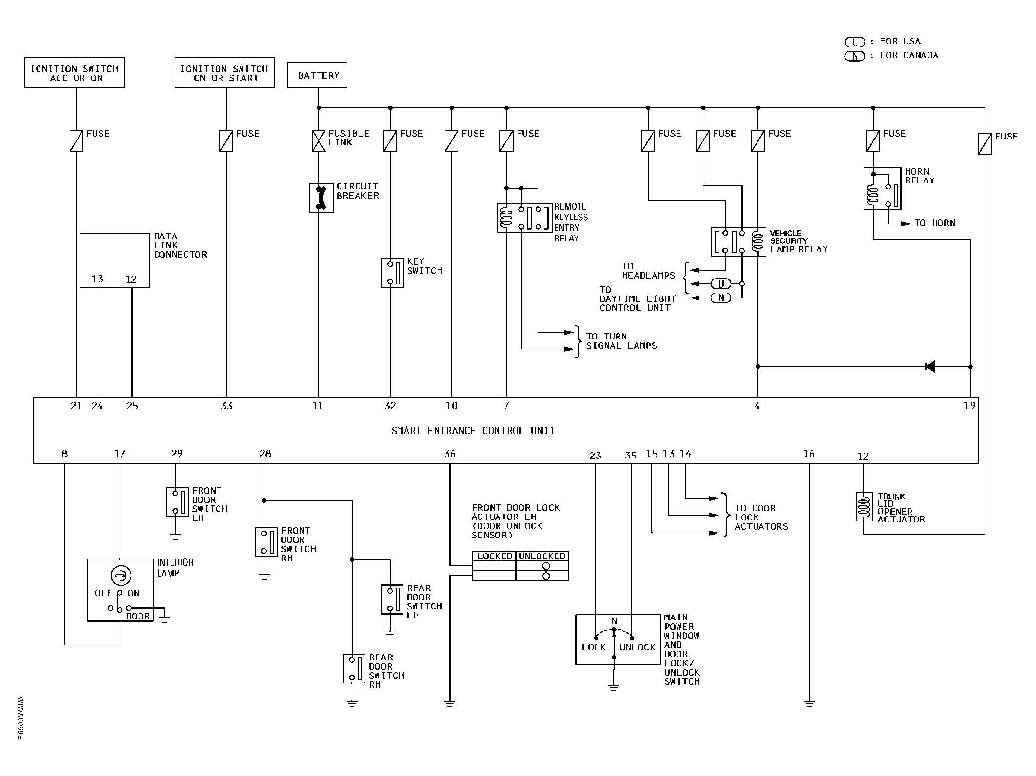
Remote Keyless Entry System: Schematic

Fig 1: Remote Keyless Entry System Schematic Diagram
G04194937Courtesy of NISSAN MOTOR CO., U.S.A.