lemon-mirror:
Home >> Nissan-Datsun >> 2007 >> Frontier XE, Automatic >> Repair and Diagnosis >> Engine Performance >> System >> Engine Control System - Introduction (Qr) >> Engine Control System >> System Diagram

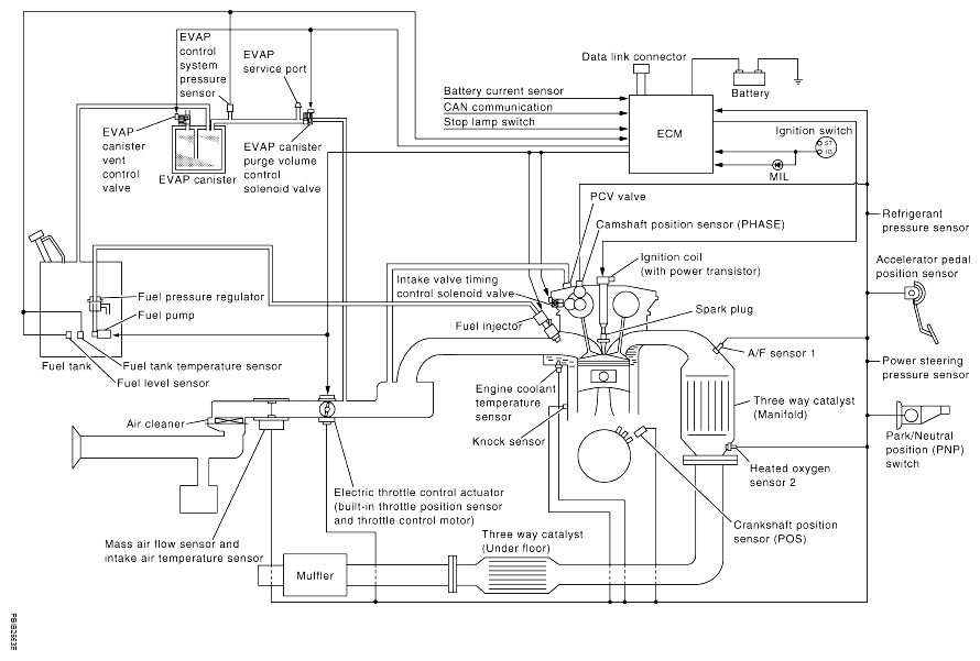
System Diagram

Fig 1: Engine Control System Diagram
G04894442Courtesy of NISSAN NORTH AMERICA, INC.