lemon-mirror:
Home >> Nissan-Datsun >> 2007 >> Pathfinder LE, RWD >> Repair and Diagnosis >> Engine Performance >> System >> Engine Control System - Component Testing >> ASCD Brake Switch >> Wiring Diagram

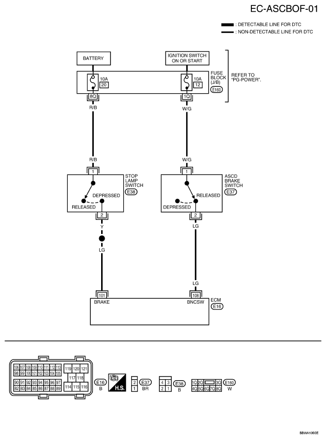
ASCD Brake Switch: Wiring Diagram

Refer to POWER SUPPLY, GROUND & CIRCUIT ELEMENTS PATHFINDER-->.

Fig 1: Identifying Wiring Diagram - EC-ASCBOF-01
G04912159Courtesy of NISSAN NORTH AMERICA, INC.

Specification data are reference values and are measured between each terminal and ground.

CAUTION: Do not use ECM ground terminals when measuring input/output voltage. Doing so may result in damage to the ECM's transistor. Use a ground other than ECM terminals, such as the ground.
SPECIFICATION DATA AND REFERENCE VALUES CHART

TERMINAL NO. WIRE COLOR ITEM CONDITION DATA (DC Voltage)
101 LG Stop lamp switch [Ignition switch: OFF] 
  • Brake pedal: Fully released
Approximately 0V
[Ignition switch: OFF] 
  • Brake pedal: Slightly depressed
BATTERY VOLTAGE (11 - 14V)
108 LG ASCD brake switch [Ignition switch: ON] 
  • Brake pedal: Slightly depressed
Approximately 0V
[Ignition switch: ON] 
  • Brake pedal: Fully released
BATTERY VOLTAGE (11 - 14V)