lemon-mirror:
Home >> Nissan-Datsun >> 2007 >> Quest Base >> Repair and Diagnosis >> Engine Performance >> System >> Engine Control System - Component Testing >> Ignition Signal >> Wiring Diagram

Ignition Signal: Wiring Diagram

For PG, go to POWER SUPPLY, GROUND & CIRCUIT ELEMENTS .

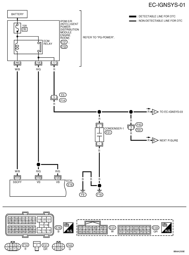
Fig 1: Wiring Diagram - EC-IGNSYS-01
G04905865Courtesy of NISSAN NORTH AMERICA, INC.

Specification data are reference values and are measured between each terminal and ground.

CAUTION: Do not use ECM ground terminals when measuring input/output voltage. Doing so may result in damage to the ECM's transistor. Use a ground other than ECM terminals, such as the ground.
CONNECTOR TERMINAL SPECIFICATION DATA REFERENCE VALUES

TERMINAL NO. WIRE COLOR ITEM CONDITION DATA (DC Voltage)
111 W/B ECM relay (Self shut-off) [Engine is running] 
[Ignition switch: OFF] 
  • For a few seconds after turning ignition switch OFF
0 - 1.5V
[Ignition switch: OFF] 
  • More than a few seconds after turning ignition switch OFF
BATTERY VOLTAGE (11 - 14V)
119
120
R/G
R/G
Power supply for ECM [Ignition switch: ON]  BATTERY VOLTAGE (11 - 14V)
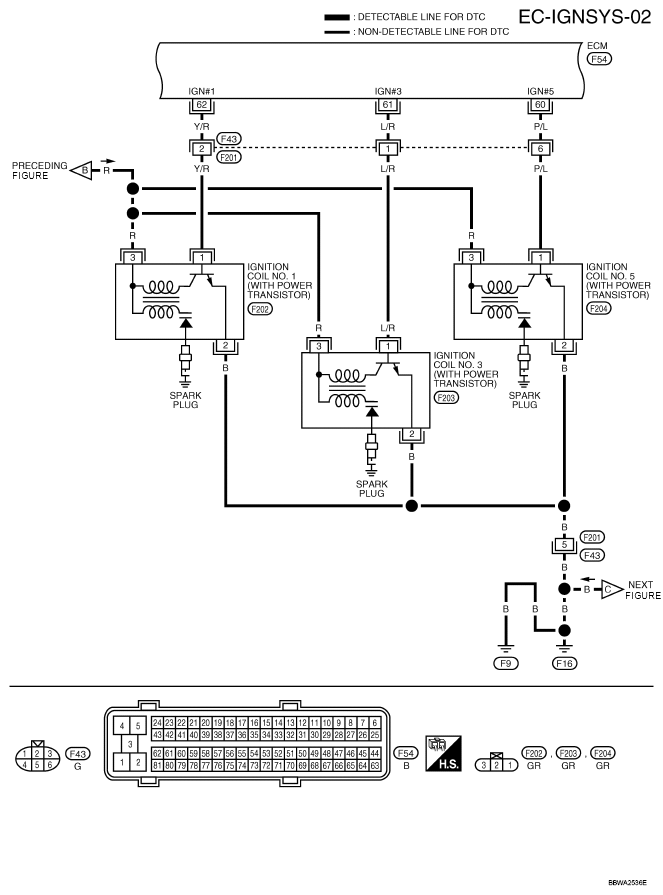
Fig 2: Wiring Diagram - EC-IGNSYS-02
G04905866Courtesy of NISSAN NORTH AMERICA, INC.

Specification data are reference values and are measured between each terminal and ground. Pulse signal is measured by CONSULT-II.

CAUTION: Do not use ECM ground terminals when measuring input/output voltage. Doing so may result in damage to the ECM's transistor. Use a ground other than ECM terminals, such as the ground.
CONNECTOR TERMINAL SPECIFICATION DATA REFERENCE VALUES

TERMINAL NO. WIRE COLOR ITEM CONDITION DATA (DC Voltage)
60
61
62
P/L
L/R
Y/R
Ignition signal No. 5
Ignition signal No. 3
Ignition signal No. 1
[Engine is running] 
  • Warm-up condition
  • Idle speed
NOTE: The pulse cycle changes depending on rpm at idle
G04905171Courtesy of NISSAN NORTH AMERICA, INC.
[Engine is running] 
  • Warm-up condition
  • Engine speed: 2, 500 rpm
G04900102Courtesy of NISSAN NORTH AMERICA, INC.
*: Average voltage for pulse signal (Actual pulse signal can be confirmed by oscilloscope.)
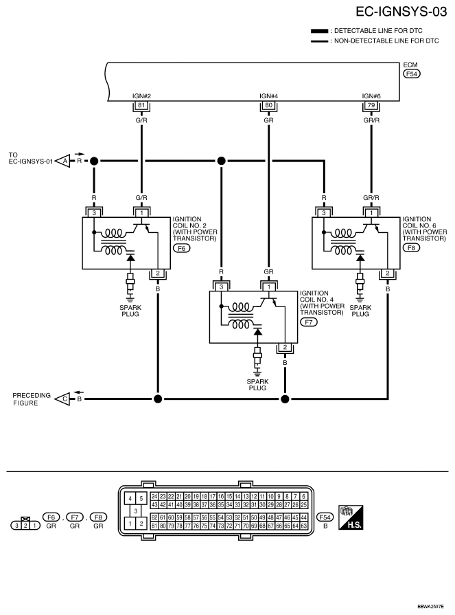
Fig 3: Wiring Diagram - EC-IGNSYS-03
G04905869Courtesy of NISSAN NORTH AMERICA, INC.

Specification data are reference values and are measured between each terminal and ground. Pulse signal is measured by CONSULT-II.

CAUTION: Do not use ECM ground terminals when measuring input/output voltage. Doing so may result in damage to the ECM's transistor. Use a ground other than ECM terminals, such as the ground.
CONNECTOR TERMINAL SPECIFICATION DATA REFERENCE VALUES

TERMINAL NO. WIRE COLOR ITEM CONDITION DATA (DC Voltage)
79
80
81
GR/R
GR
G/R
Ignition signal No. 6
Ignition signal No. 4
Ignition signal No. 2
[Engine is running] 
  • Warm-up condition
  • Idle speed
NOTE: The pulse cycle changes depending on rpm at idle
G04905171Courtesy of NISSAN NORTH AMERICA, INC.
[Engine is running] 
  • Warm-up condition 
  • Engine speed: 2, 500 rpm
G04900102Courtesy of NISSAN NORTH AMERICA, INC.
*: Average voltage for pulse signal (Actual pulse signal can be confirmed by oscilloscope.)