lemon-mirror:
Home >> Nissan-Datsun >> 2007 >> Sentra SE-R >> Repair and Diagnosis >> Body & Frame >> Door Locks >> Body, Lock & Security System >> Power Door Lock System >> Schematic >> With Intelligent Key

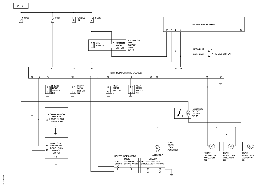
With Intelligent Key

Fig 1: Schematic Diagram (With Intelligent Key)
G04927551