lemon-mirror:
Home >> Nissan-Datsun >> 2007 >> Sentra SE-R >> Repair and Diagnosis >> Electrical >> Fuses & Circuit Breakers >> Identification >> Fuse Circuits

Fuse Circuits

Fig 1: Power Supply Routing Schematic (1 Of 2)
G04928719Courtesy of NISSAN MOTOR CO., U.S.A.
Fig 2: Power Supply Routing Schematic (2 Of 2)
G04928720Courtesy of NISSAN MOTOR CO., U.S.A.
Fig 3: Wiring Diagram PG-POWER-01
G04928721Courtesy of NISSAN MOTOR CO., U.S.A.
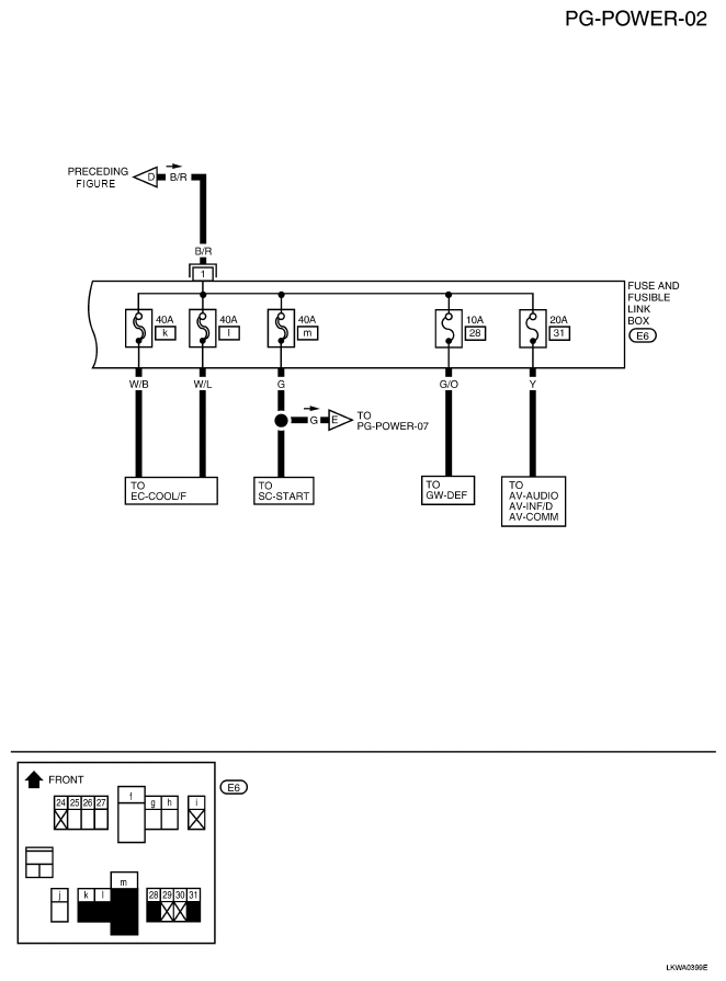
Fig 4: Wiring Diagram PG-POWER-02
G04928722Courtesy of NISSAN MOTOR CO., U.S.A.
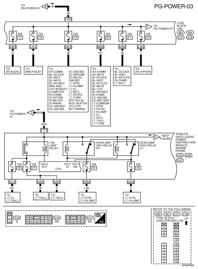
Fig 5: Wiring Diagram PG-POWER-03
G04928723Courtesy of NISSAN MOTOR CO., U.S.A.
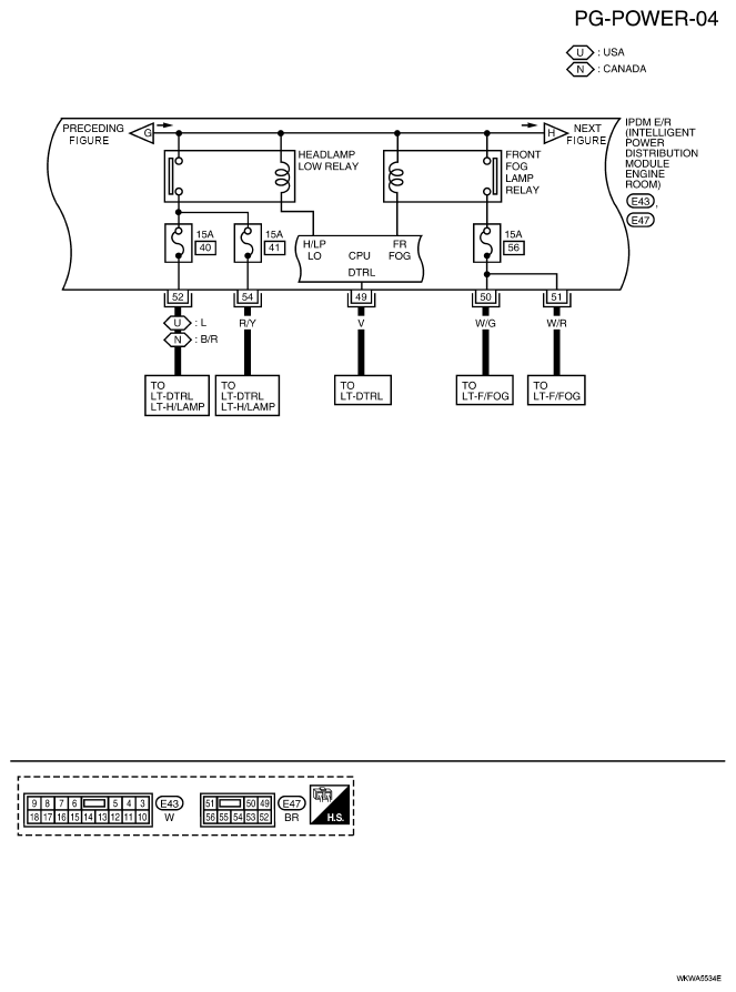
Fig 6: Wiring Diagram PG-POWER-04
G04928724Courtesy of NISSAN MOTOR CO., U.S.A.
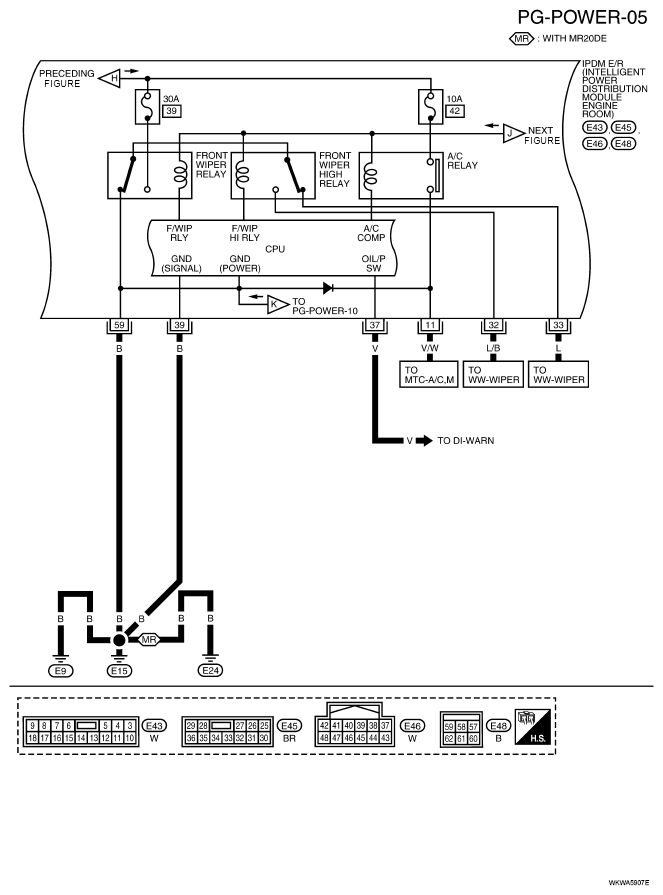
Fig 7: Wiring Diagram PG-POWER-05
G04928725Courtesy of NISSAN MOTOR CO., U.S.A.
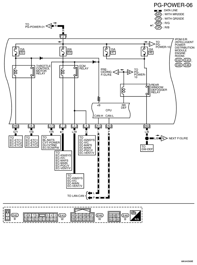
Fig 8: Wiring Diagram PG-POWER-06
G04928726Courtesy of NISSAN MOTOR CO., U.S.A.
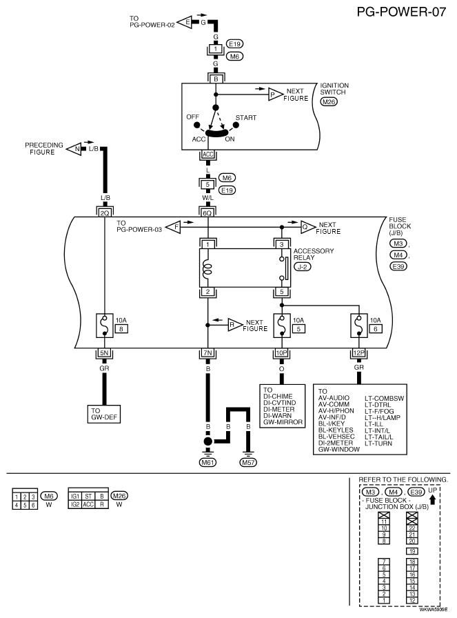
Fig 9: Wiring Diagram PG-POWER-07
G04928727Courtesy of NISSAN MOTOR CO., U.S.A.
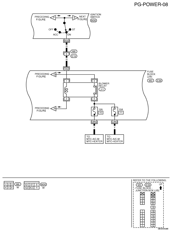
Fig 10: Wiring Diagram PG-POWER-08
G04928728Courtesy of NISSAN MOTOR CO., U.S.A.
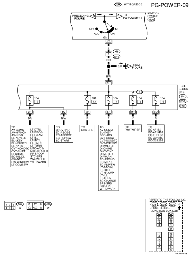
Fig 11: Wiring Diagram PG-POWER-09
G04928729Courtesy of NISSAN MOTOR CO., U.S.A.
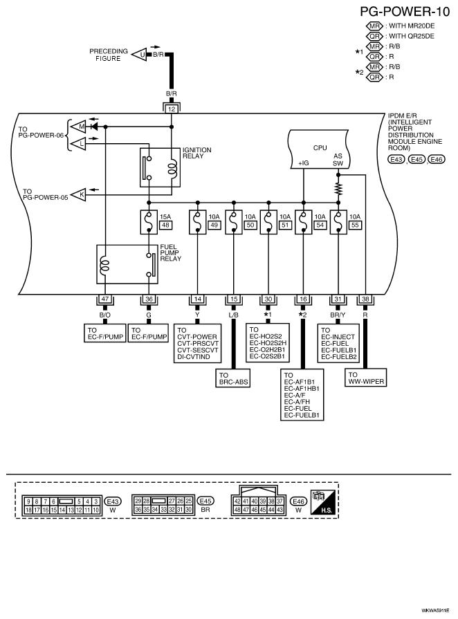
Fig 12: Wiring Diagram PG-POWER-10
G04928730Courtesy of NISSAN MOTOR CO., U.S.A.
Fig 13: Wiring Diagram PG-POWER-11
G04928731Courtesy of NISSAN MOTOR CO., U.S.A.

Use the chart below to find out what each wiring diagram code stands for.

WIRING DIAGRAM CODES

Code Section Wiring Diagram Name
ABS BRC Anti-lock Brake System
A/C, M MTC Manual Air Conditioner
A/F EC Air Fuel Ratio Sensor 1
A/FH EC Air Fuel Ratio Sensor 1 Heater
A/F1B1 EC Air Fuel Ratio Sensor 1 Bank 1
A/F1B2 EC Air Fuel Ratio Sensor 1 Bank 2
A/F1HB1 EC Air Fuel Ratio Sensor 1 Heater Bank 1
A/F1HB2 EC Air Fuel Ratio Sensor 1 Heater Bank 2
APPS1 EC Accelerator Pedal Position Sensor
APPS2 EC Accelerator Pedal Position Sensor
APPS3 EC Accelerator Pedal Position Sensor
ASC/BS EC ASCD Brake Switch
ASC/SW EC ASCD Steering Switch
ASCBOF EC ASCD Brake Switch
ASCIND EC ASCD Indicator
AUDIO AV Audio
BACK/L LT Back-up Lamp
BRK/SW EC Brake Switch
CAN CVT CAN Communication Line
CAN EC CAN Communication Line
CAN LAN CAN System
CHARGE SC Charging System
CHIME DI Warning Chime
COOL/F EC Cooling Fan Control
COMBSW LT Combination Switch
COMM AV Audio Visual Communication System
CVTIND DI CVT Indicator Lamp
D/LOCK BL Power Door Lock
DEF GW Rear Window Defogger
DTRL LT Headlamp - With Daytime Light System
ECM/PW EC ECM Power Supply For Back-up
ECTS EC Engine Coolant Temperature Sensor
EPS STC Electronic Controlled Power Steering
ETC1 EC Electric Throttle Control Function
ETC2 EC Throttle Control Motor Relay
ETC3 EC Throttle Control Motor
F/FOG LT Front Fog Lamp
F/PUMP EC Fuel Pump
FTS CVT CVT Fluid Temperature Sensor Circuit
FTTS EC Fuel Tank Temperature Sensor
FUEL EC Fuel Ignition System Function
FUELB1 EC Fuel Ignition System Function Bank1
FUELB2 EC Fuel Ignition System Function Bank2
HEATER MTC Heater System
H/LAMP LT Headlamp
H/PHON AV Hands Free Telephone
HORN WW Horn
HO2S2 EC Heated Oxygen Sensor 2
HO2S2H EC Heated Oxygen Sensor 2 Heater
IATS EC Intake Air Temperature Sensor
IGNSYS EC Ignition System
I/KEY BL Intelligent Key System
ILL LT Illumination
INJECT EC Injector
INT/L LT Room/Map, Vanity and Luggage Lamps
INF/D AV Vehicle Information and Integrated Switch System
IVC EC Intake Valve Timing Control Solenoid Valve
KEYLES BL Remote Keyless Entry System
KS EC Knock Sensor
LPSV CVT Line Pressure Solenoid Valve
L/USSV CVT Lock-up Select Solenoid Valve
MAFS EC Mass Air Flow Sensor
MAIN EC Main Power Supply and Ground Circuit
METER DI Speedometer, Tachometer, Temp. and Fuel Gauges
2METER DI Double Meter
MIL/DL EC Malfunction Indicator Lamp
MIRROR GW Door Mirror
MMSW CVT Manual Mode Switch
NATS BL Nissan Anti-Theft System
NONDTC CVT Non-detectable Item
ODSW CVT Overdrive Control Switch
O2H2B1 EC Heated Oxygen Sensor 2 Heater Bank 1
O2H2B2 EC Heated Oxygen Sensor 2 Heater Bank 2
O2S2B1 EC Heated Oxygen Sensor 2 Bank 1
O2S2B2 EC Heated Oxygen Sensor 2 Bank 2
P/SCKT WW Power Socket
PGC/V EC EVAP Canister Purge Volume Control Solenoid Valve
PHASE EC Camshaft Position Sensor (PHASE)
PNP/SW CVT Park/Neutral Position Switch
PNP/SW EC Park/Neutral Position Switch
POS EC Crankshaft Position Sensor (POS)
POWER CVT Transmission Control Module (Power Supply)
PRE/SE EC EVAP Control System Pressure Sensor
PRIPS CVT Primary Pressure Sensor
PRSCVT CVT Primary Speed Sensor CVT (Revolution Sensor)
RP/SEN EC Refrigerant Pressure Sensor
SECPS CVT Secondary Pressure Sensor
SECPSV CVT Secondary Speed Sensor CVT (Revolution Sensor)
SEN/PW EC Sensor Power Supply
SESCVT CVT Secondary Pressure Sensor Solenoid Valve
SHIFT CVT CVT Shift Lock System
SROOF RF Sunroof
SRS SRS Supplemental Restraint System
START SC Starting System
STM CVT Step Motor
STOP/L LT Stop Lamp
TCV CVT Torque Converter Clutch Solenoid Valve
T/LID BL Trunk Lid Opener
T/WARN WT Low Tire Pressure Warning System
TAIL/L LT Parking, License and Tail Lamps
TPS1 EC Throttle Position Sensor
TPS2 EC Throttle Position Sensor
TPS3 EC Throttle Position Sensor
TURN LT Turn Signal and Hazard Warning Lamps
VEHSEC BL Vehicle Security (Theft Warning) System
VENT/V EC EVAP Canister Vent Control Valve
WARN DI Warning Lamps
WINDOW GW Power Window
WIPER WW Front Wiper and Washer