lemon-mirror:
Home >> Nissan-Datsun >> 2007 >> Sentra SE-R >> Repair and Diagnosis >> External Pages >> Different car >> Section 74 (Body Control System) >> Service Information >> BCM (Body Control Module) >> Schematic

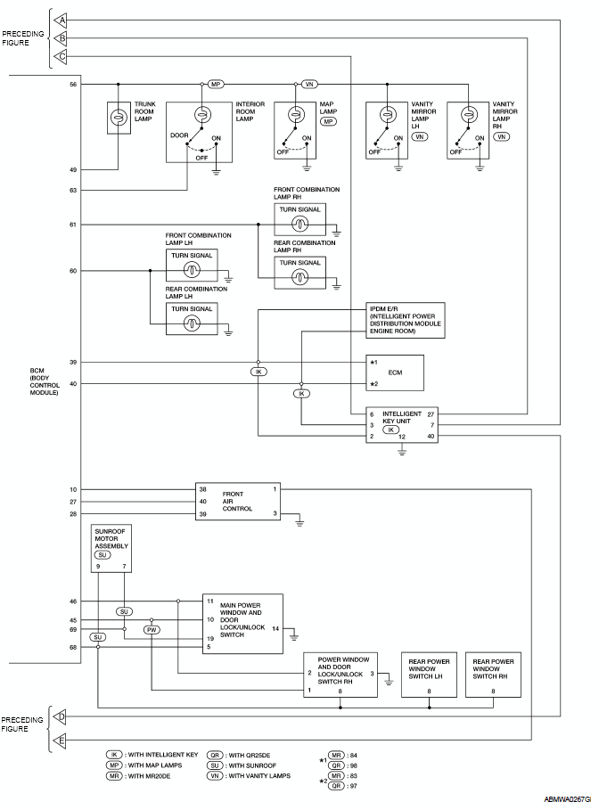
BCM (Body Control Module): Schematic

WARNING: This page is about a different car, the 2009 Nissan Sentra. However, it is still accessible from the selected car via links, so may be relevant.
Fig 1: BCM Schematic Diagram (1 Of 2)
G04928506Courtesy of NISSAN MOTOR CO., U.S.A.
Fig 2: BCM Schematic Diagram (2 Of 2)
G05924971Courtesy of NISSAN MOTOR CO., U.S.A.