lemon-mirror:
Home >> Nissan-Datsun >> 2008 >> Maxima SL >> Repair and Diagnosis >> Engine Performance >> Engine Control Systems >> Engine Control System - Component Testing >> Mil And Data Link Connector >> Wiring Diagram

Mil And Data Link Connector: Wiring Diagram

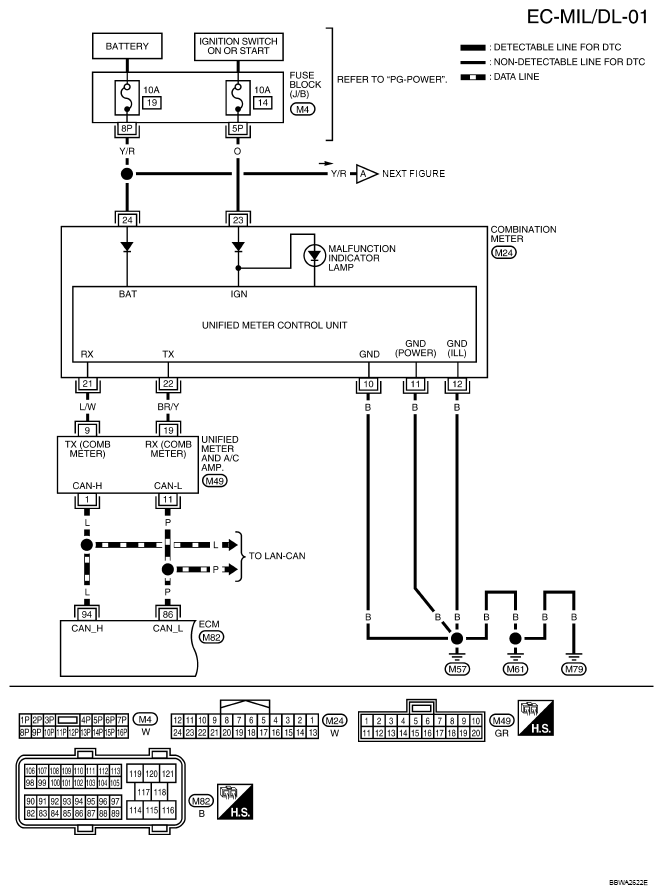
Fig 1: EC-MIL/DL-01 - Wiring Diagram
G04915910Courtesy of NISSAN MOTOR CO., U.S.A.
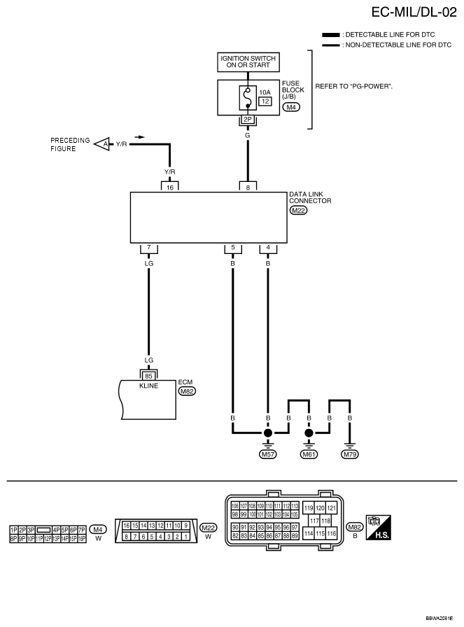
Fig 2: EC-MIL/DL-02 - Wiring Diagram
G04915911Courtesy of NISSAN MOTOR CO., U.S.A.