lemon-mirror:
Home >> Nissan-Datsun >> 2008 >> Maxima SL >> Repair and Diagnosis >> Engine Performance >> Engine Control Systems >> Engine Control System - Introduction >> Trouble Diagnosis >> Circuit Diagram

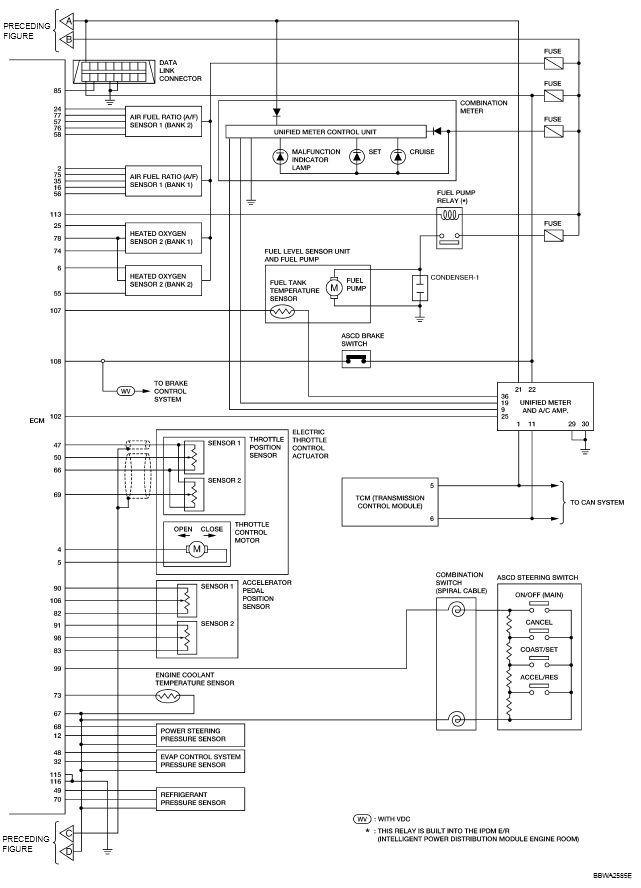
Circuit Diagram

Fig 1: Engine Control System - Circuit Diagram (1 Of 2)
G04915196Courtesy of NISSAN MOTOR CO., U.S.A.
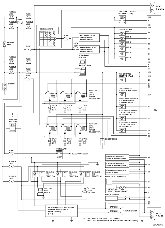
Fig 2: Engine Control System - Circuit Diagram (2 Of 2)
G04915197Courtesy of NISSAN MOTOR CO., U.S.A.