lemon-mirror:
Home >> Nissan-Datsun >> 2008 >> Maxima SL >> Repair and Diagnosis >> Engine Performance >> Engine Control Systems >> Engine Control System - Introduction >> Trouble Diagnosis >> Vacuum Hose Drawing

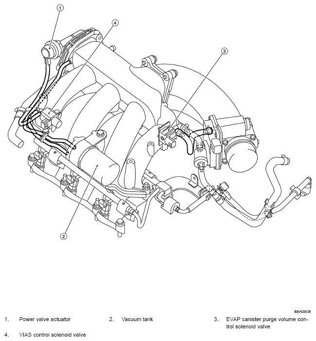
Vacuum Hose Drawing

Fig 1: Identifying Vacuum Hose Drawing
G04915195Courtesy of NISSAN MOTOR CO., U.S.A.
NOTE: Do not use soapy water or any type of solvent while installing vacuum hose of purge hoses.

Refer to  "SYSTEM DIAGRAM " for Vacuum Control System.