lemon-mirror:
Home >> Nissan-Datsun >> 2008 >> Quest Base >> Repair and Diagnosis >> Engine Performance >> Engine Control Systems >> Engine Control System - Introduction >> Trouble Diagnosis >> Circuit Diagram

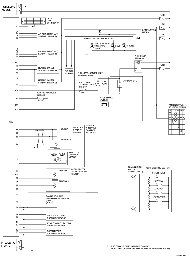
Circuit Diagram

Fig 1: Trouble Diagnosis - Circuit Diagram (1 Of 2)
G04905146Courtesy of NISSAN MOTOR CO., U.S.A.
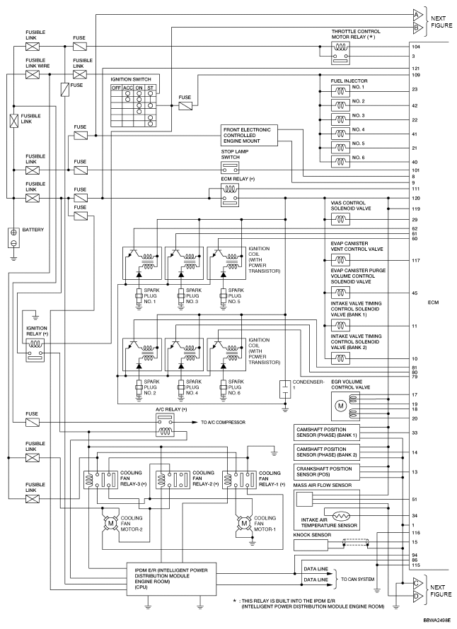
Fig 2: Trouble Diagnosis - Circuit Diagram (2 Of 2)
G04905147Courtesy of NISSAN MOTOR CO., U.S.A.