lemon-mirror:
Home >> Nissan-Datsun >> 2008 >> Sentra SE-R >> Repair and Diagnosis >> Body & Frame >> Windows >> Glass, Window System & Mirrors >> Power Window System >> Schematic

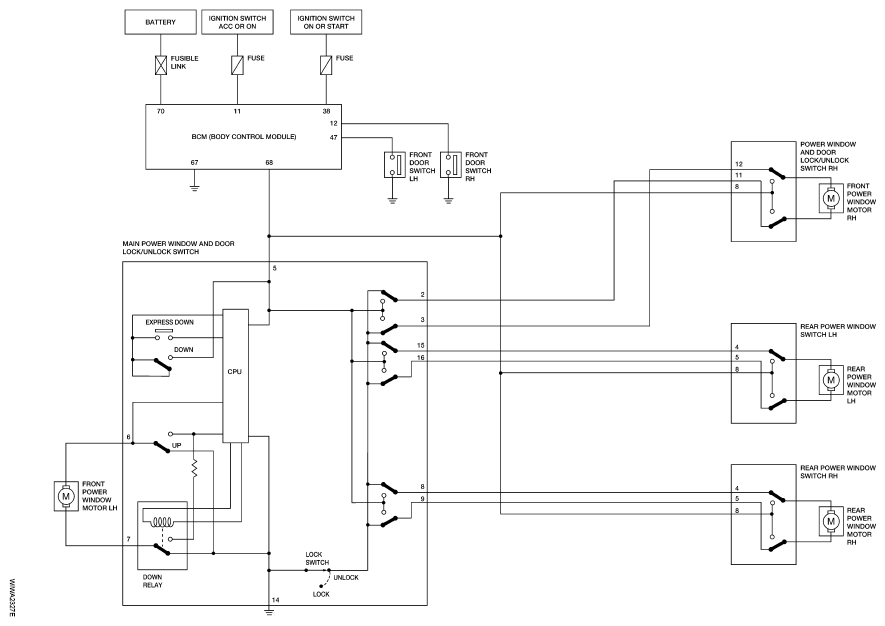
Power Window System: Schematic

Fig 1: Power Window System - Schematic Diagram
G04927861Courtesy of NISSAN MOTOR CO., U.S.A.