lemon-mirror:
Home >> Nissan-Datsun >> 2008 >> Sentra SE-R >> Repair and Diagnosis >> Body & Frame >> Windows >> Glass, Window System & Mirrors >> Rear Window Defogger >> Schematic

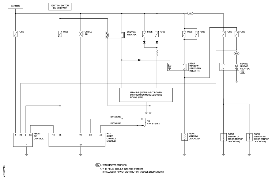
Rear Window Defogger: Schematic

Fig 1: Rear Window Defogger - Schematic Diagram
G04927936Courtesy of NISSAN MOTOR CO., U.S.A.