lemon-mirror:
Home >> Nissan-Datsun >> 2008 >> Sentra SE-R >> Repair and Diagnosis >> Engine Performance >> Engine Control Systems >> Engine Control System - Component Testing (Qr25DE) >> Ignition Signal >> Wiring Diagram

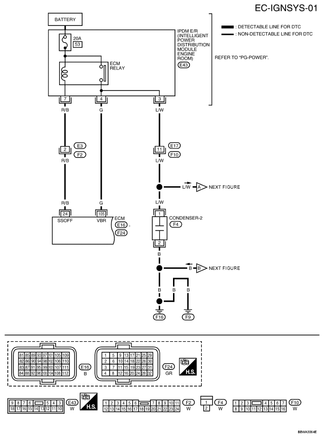
Ignition Signal: Wiring Diagram

For PG, go to POWER SUPPLY, GROUND & CIRCUIT ELEMENTS .

Fig 1: EC-IGNSYS-01 - Wiring Diagram
G04926264Courtesy of NISSAN MOTOR CO., U.S.A.

Specification data are reference values and are measured between each terminal and ground.

CAUTION: Do not use ECM ground terminals when measuring input/output voltage. Doing so may result in damage to the ECM's transistor. Use a ground other than ECM terminals, such as the ground.
INPUT/OUTPUT VOLTAGE CHART

TERMINAL NO. WIRE COLOR ITEM CONDITION DATA (DC Voltage)
24 R/B ECM relay (Self shut-off) [Engine is running] 
[Ignition switch: OFF] 
  • For a few seconds after turning ignition switch OFF
0 - 1.0V
[Ignition switch: OFF] 
  • More than a few seconds after turning ignition switch OFF
BATTERY VOLTAGE (11 - 14V)
105 G Power supply for ECM [Ignition switch: ON]  BATTERY VOLTAGE (11 - 14V)

For PG, go to POWER SUPPLY, GROUND & CIRCUIT ELEMENTS .

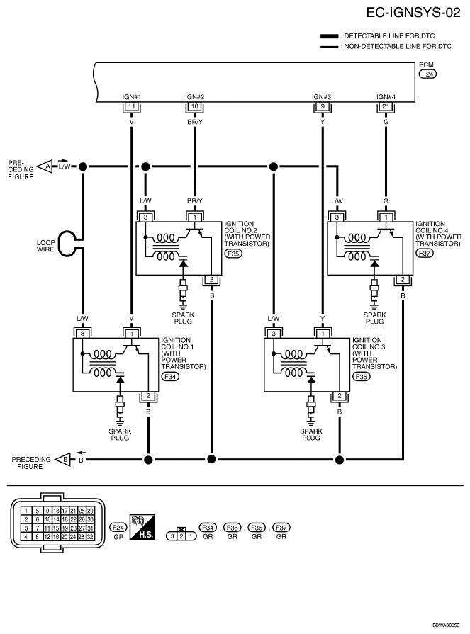
Fig 2: EC-IGNSYS-02 - Wiring Diagram
G04926265Courtesy of NISSAN MOTOR CO., U.S.A.

Specification data are reference values and are measured between each terminal and ground. Pulse signal is measured by CONSULT-III.

CAUTION: Do not use ECM ground terminals when measuring input/output voltage. Doing so may result in damage to the ECM's transistor. Use a ground other than ECM terminals, such as the ground.
INPUT/OUTPUT VOLTAGE CHART

TERMINAL NO. WIRE COLOR ITEM CONDITION DATA (DC Voltage)
9
10
11
21
Y
BR/Y
V
G
Ignition signal No. 3
Ignition signal No. 2
Ignition signal No. 1
Ignition signal No. 4
[Engine is running] 
  • Warm-up condition 
  • Idle speed
    NOTE: The pulse cycle changes depending on RPM at idle
G04925763Courtesy of NISSAN MOTOR CO., U.S.A.
[Engine is running] 
  • Warm-up condition 
  • Engine speed: 2, 500 RPM
G04925764Courtesy of NISSAN MOTOR CO., U.S.A.
*: Average voltage for pulse signal (Actual pulse signal can be confirmed by oscilloscope.)