lemon-mirror:
Home >> Nissan-Datsun >> 2008 >> Sentra SE-R >> Repair and Diagnosis >> Engine Performance >> Engine Control Systems >> Engine Control System - Component Testing (Qr25DE) >> Mil And Data Link Connector >> Wiring Diagram

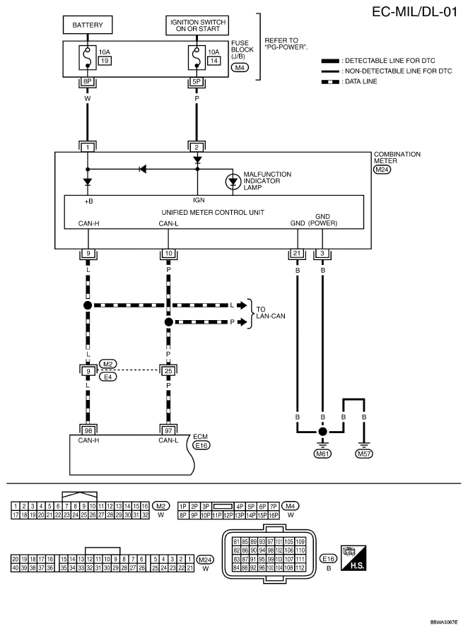
Mil And Data Link Connector: Wiring Diagram

For PG, go to POWER SUPPLY, GROUND & CIRCUIT ELEMENTS .

Fig 1: EC-MIL/DL-01 - Wiring Diagram
G04926285Courtesy of NISSAN MOTOR CO., U.S.A.
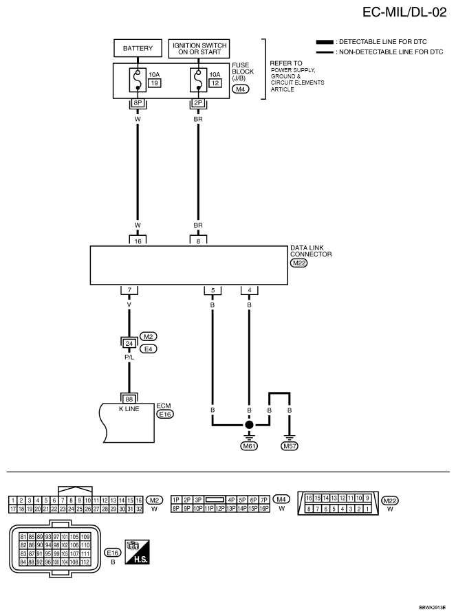
Fig 2: EC-MIL/DL-02 - Wiring Diagram
G04925661Courtesy of NISSAN MOTOR CO., U.S.A.