lemon-mirror:
Home >> Nissan-Datsun >> 2008 >> Sentra SE-R >> Repair and Diagnosis >> External Pages >> Different car >> Section 145 (Starting System) >> System Description >> Starting System >> System Diagram

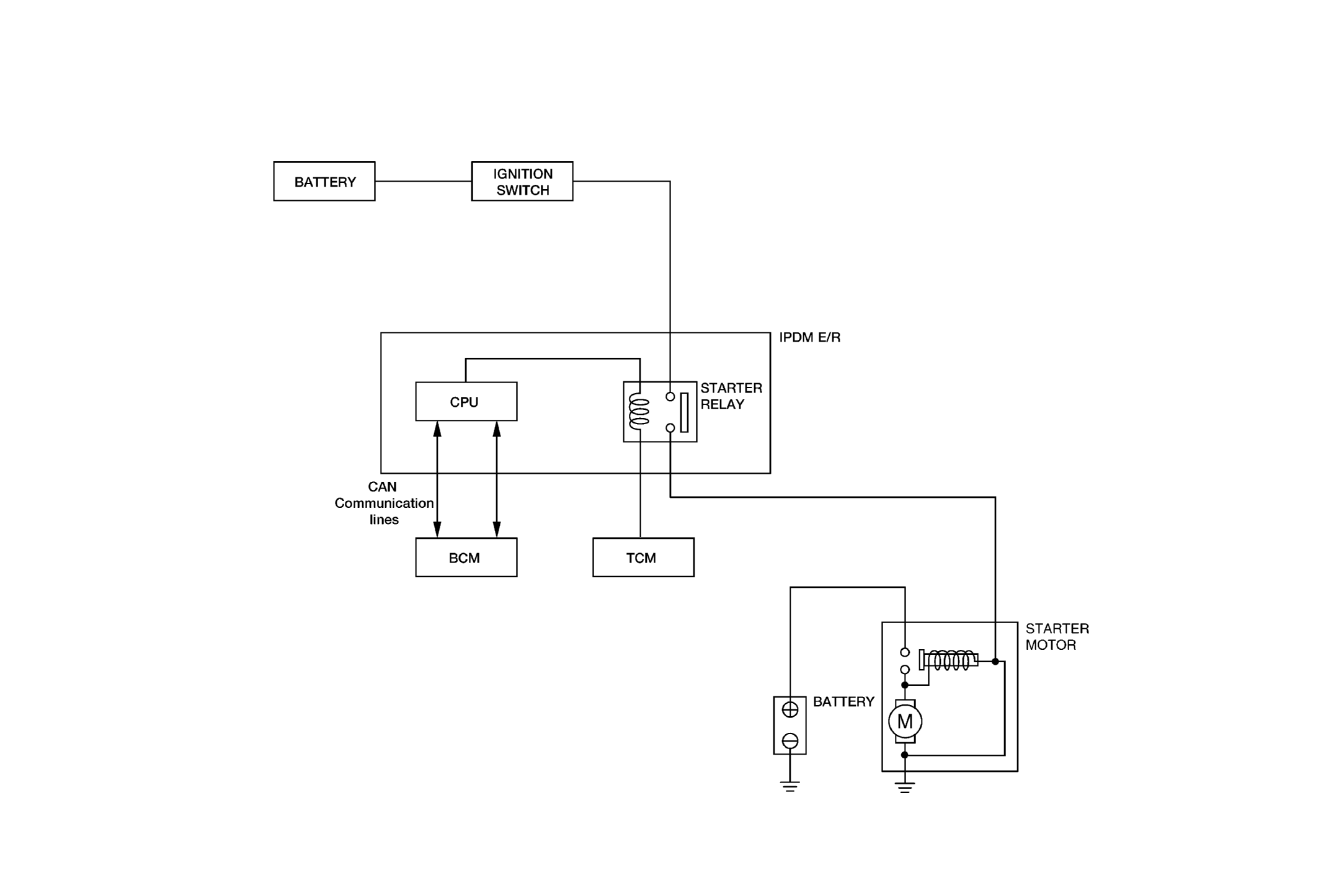
System Diagram

WARNING: This page is about a different car, the 2012 Nissan Pathfinder. However, it is still accessible from the selected car via links, so may be relevant.
Fig 1: Starting - System Diagram
G05381018Courtesy of NISSAN NORTH AMERICA, INC.