lemon-mirror:
Home >> Nissan-Datsun >> 2008 >> Sentra SE-R >> Repair and Diagnosis >> External Pages >> Different car >> Section 75 (Body Control System) >> BCM (Body Control Module) >> Schematic

BCM (Body Control Module): Schematic

WARNING: This page is about a different car, the 2007 Nissan Sentra. However, it is still accessible from the selected car via links, so may be relevant.
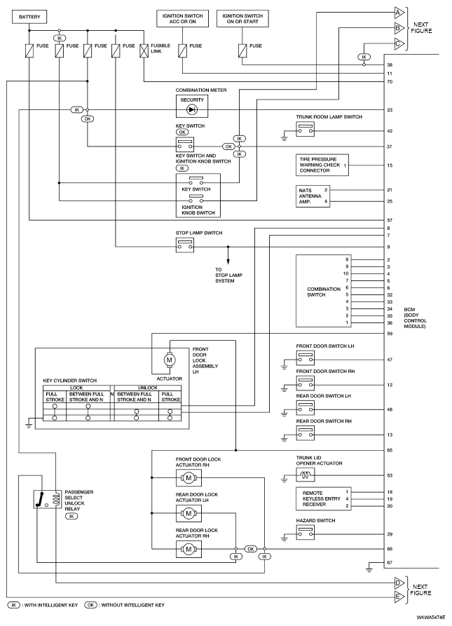
Fig 1: Ignition Switch - Schematic Diagram (1 Of 2)
G04928506
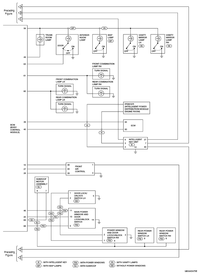
Fig 2: Ignition Switch - Schematic Diagram (2 Of 2)
G04928507