lemon-mirror:
Home >> Nissan-Datsun >> 2009 >> Cube Base >> Repair and Diagnosis >> Engine Performance >> Testing & Diagnosis >> Engine Control System - Introduction >> System Description >> Engine Control System >> System Diagram

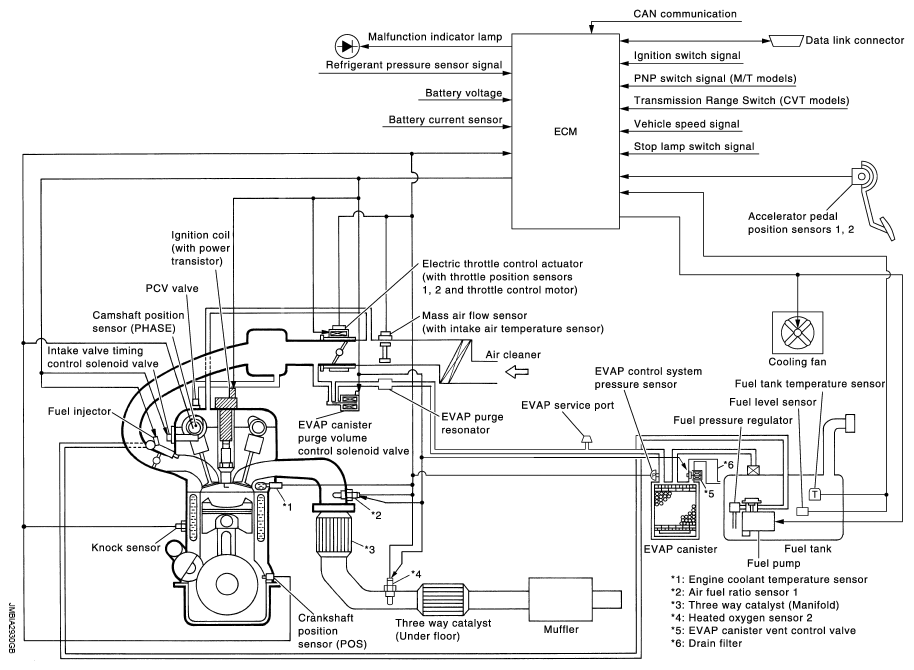
System Diagram

Fig 1: Engine Control System Diagram
G05914399Courtesy of NISSAN MOTOR CO., U.S.A.