lemon-mirror:
Home >> Nissan-Datsun >> 2009 >> Sentra SE-R >> Repair and Diagnosis >> Body & Frame >> Door Locks >> Body, Lock & Security System >> Service Information >> Intelligent Key System >> Schematic

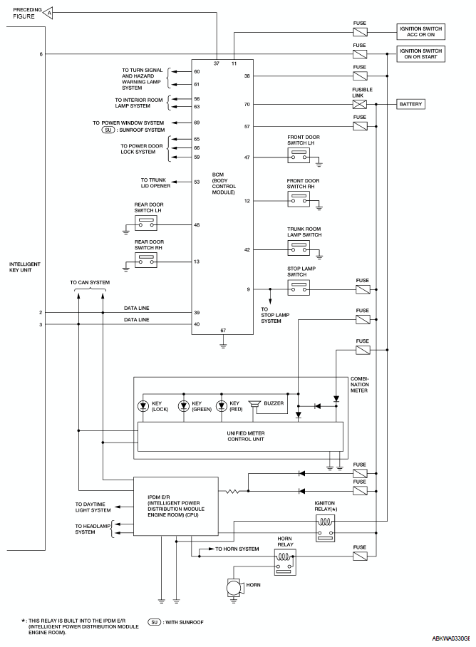
Intelligent Key System: Schematic

Fig 1: Intelligent Key System - Schematic Diagram (1 Of 2)
G05924662Courtesy of NISSAN MOTOR CO., U.S.A.
Fig 2: Intelligent Key System - Schematic Diagram (2 Of 2)
G05924663Courtesy of NISSAN MOTOR CO., U.S.A.