lemon-mirror:
Home >> Nissan-Datsun >> 2009 >> Sentra SE-R >> Repair and Diagnosis >> Body & Frame >> Windows >> Glass, Window System & Mirrors >> Service Information >> Power Window System >> Schematic

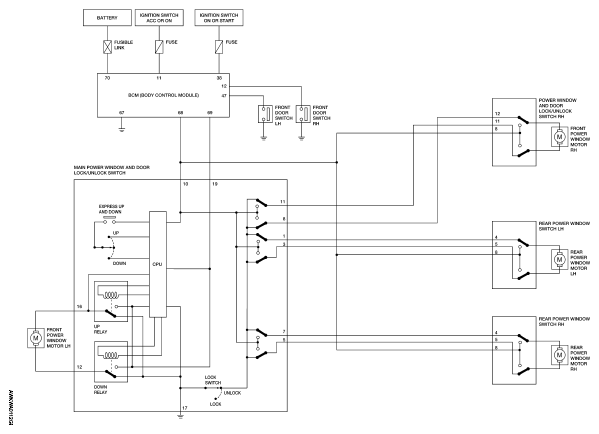
Power Window System: Schematic

Fig 1: Power Window System Schematic Diagram
G05922819Courtesy of NISSAN MOTOR CO., U.S.A.