lemon-mirror:
Home >> Nissan-Datsun >> 2009 >> Versa Base, Automatic >> Repair and Diagnosis >> Engine Performance >> System >> Engine Control System - Component Testing >> ASCD Brake Switch >> Wiring Diagram

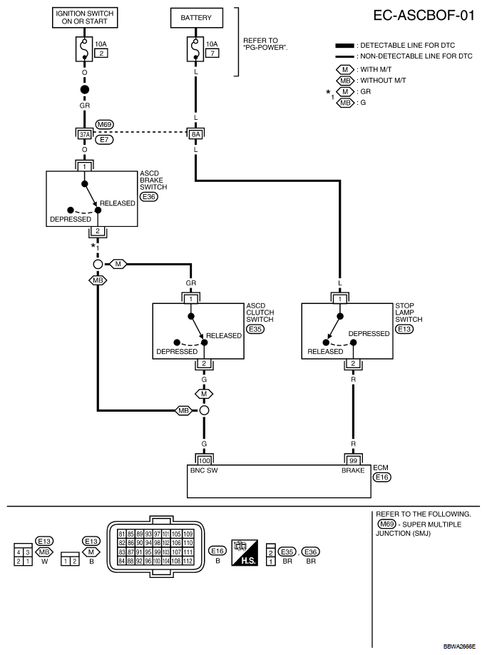
ASCD Brake Switch: Wiring Diagram

NOTE: For references to "PG-Power", see POWER SUPPLY, GROUND & CIRCUIT ELEMENTS article.
Fig 1: ASCD Brake Switch - Wiring Diagram
G05932973Courtesy of NISSAN MOTOR CO., U.S.A.

Specification data are reference values and are measured between each terminal and ground.

CAUTION: Do not use ECM ground terminals when measuring input/output voltage. Doing so may result in damage to the ECM's transistor. Use a ground other than ECM terminals, such as the ground.
VOLTAGE REFERENCE CHART

TERMINAL NO. WIRE COLOR ITEM CONDITION DATA (DC Voltage)
99 R Stop lamp switch [Ignition switch: ON] 
  • Brake pedal: Fully released
Approximately 0V
[Ignition switch: ON] 
  • Brake pedal: Slightly depressed
BATTERY VOLTAGE (11 - 14V)
100 G ASCD brake switch [Ignition switch: ON] 
  • Brake pedal: Slightly depressed (A/T, CVT)
  • Brake pedal and/or clutch pedal: Slightly depressed (M/T)
Approximately 0V
[Ignition switch: ON] 
  • Brake pedal: Fully released (A/T, CVT)
  • Brake pedal and clutch pedal: Fully released (M/T)
BATTERY VOLTAGE (11 - 14V)