lemon-mirror:
Home >> Nissan-Datsun >> 2009 >> Versa Base, Automatic >> Repair and Diagnosis >> Engine Performance >> System >> Engine Control System - Component Testing >> ASCD Indicator >> Wiring Diagram

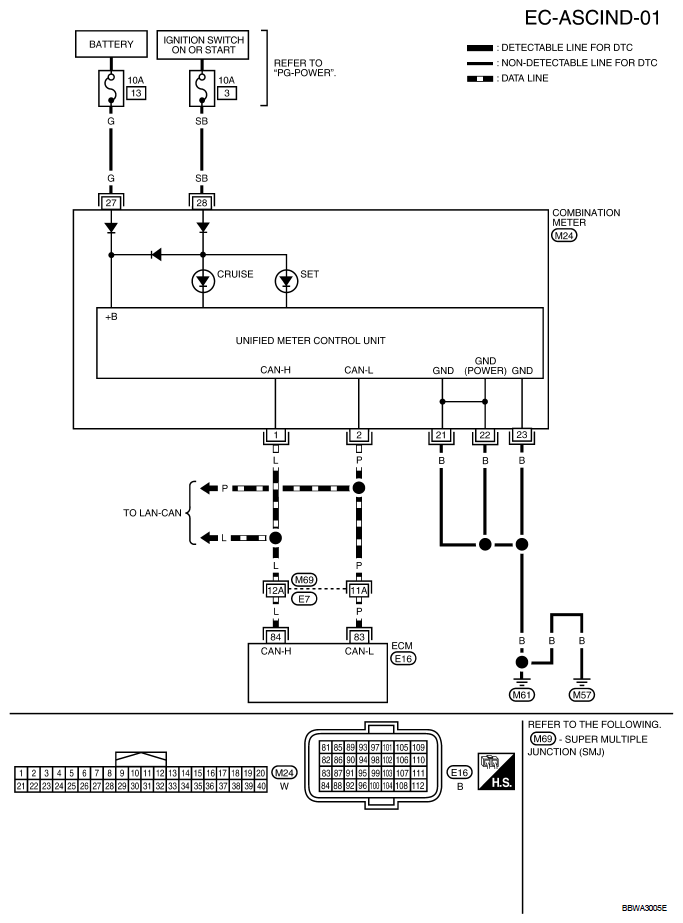
ASCD Indicator: Wiring Diagram

NOTE: For references to "PG-Power", see POWER SUPPLY, GROUND & CIRCUIT ELEMENTS article.
Fig 1: ASCD Indicator - Wiring Diagram
G05932985Courtesy of NISSAN MOTOR CO., U.S.A.