lemon-mirror:
Home >> Nissan-Datsun >> 2009 >> Versa Base, Automatic >> Repair and Diagnosis >> Engine Performance >> System >> Engine Control System - Component Testing >> Mil And Data Link Connector >> Wiring Diagram

Mil And Data Link Connector: Wiring Diagram

NOTE: For references to "PG-Power", see POWER SUPPLY, GROUND & CIRCUIT ELEMENTS article.
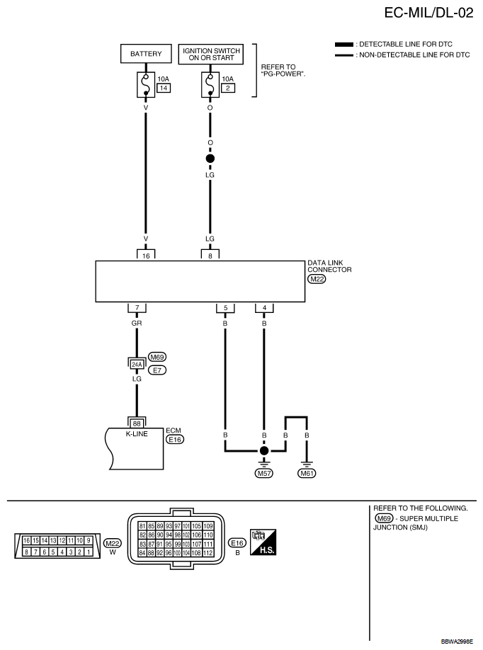
Fig 1: MIL And Data Link Connector - Wiring Diagram (1 Of 2)
G05933025Courtesy of NISSAN MOTOR CO., U.S.A.
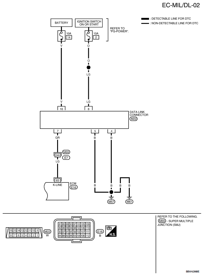
Fig 2: MIL And Data Link Connector - Wiring Diagram (2 Of 2)
G05933026Courtesy of NISSAN MOTOR CO., U.S.A.