lemon-mirror:
Home >> Nissan-Datsun >> 2009 >> Versa Base, Automatic >> Repair and Diagnosis >> Engine Performance >> System >> Engine Control System - Introduction >> Service Information >> Engine Control System >> Schematic

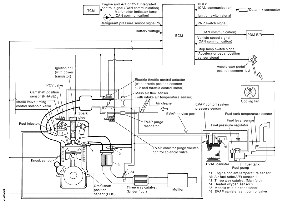
Engine Control System: Schematic

Fig 1: Engine Control System - Schematic Diagram
G05932449Courtesy of NISSAN MOTOR CO., U.S.A.