lemon-mirror:
Home >> Nissan-Datsun >> 2011 >> Quest SL >> Repair and Diagnosis >> Engine Performance >> System >> Engine Control System - Introduction >> Wiring Diagram >> Engine Control System >> Wiring Diagram-ENGINE CONTROL SYSTEM-

Wiring Diagram-ENGINE CONTROL SYSTEM-

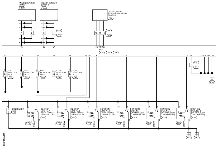
Fig 1: Engine Control System - Wiring Diagram (1 Of 5)
G07051153Courtesy of NISSAN MOTOR CO., U.S.A.
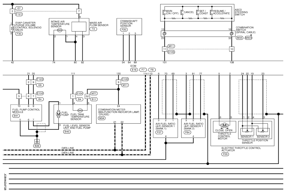
Fig 2: Engine Control System - Wiring Diagram (2 Of 5)
G07051154Courtesy of NISSAN MOTOR CO., U.S.A.
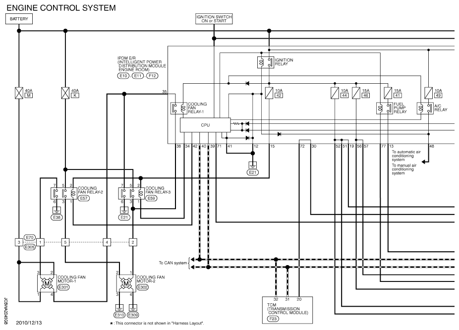
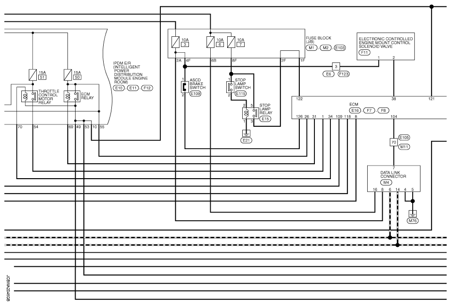
Fig 3: Engine Control System - Wiring Diagram (3 Of 5)
G07051155Courtesy of NISSAN MOTOR CO., U.S.A.
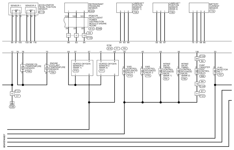
Fig 4: Engine Control System - Wiring Diagram (4 Of 5)
G07051156Courtesy of NISSAN MOTOR CO., U.S.A.
Fig 5: Engine Control System - Wiring Diagram (5 Of 5)
G07051157Courtesy of NISSAN MOTOR CO., U.S.A.
Fig 6: Identifying Engine Control System Connectors (1 Of 11)
G07051158Courtesy of NISSAN MOTOR CO., U.S.A.
Fig 7: Identifying Engine Control System Connectors (2 Of 11)
G07051159Courtesy of NISSAN MOTOR CO., U.S.A.
Fig 8: Identifying Engine Control System Connectors (3 Of 11)
G07051160Courtesy of NISSAN MOTOR CO., U.S.A.
Fig 9: Identifying Engine Control System Connectors (4 Of 11)
G07051161Courtesy of NISSAN MOTOR CO., U.S.A.
Fig 10: Identifying Engine Control System Connectors (5 Of 11)
G07051162Courtesy of NISSAN MOTOR CO., U.S.A.
Fig 11: Identifying Engine Control System Connectors (6 Of 11)
G07051163Courtesy of NISSAN MOTOR CO., U.S.A.
Fig 12: Identifying Engine Control System Connectors (7 Of 11)
G07051164Courtesy of NISSAN MOTOR CO., U.S.A.
Fig 13: Identifying Engine Control System Connectors (8 Of 11)
G07051165Courtesy of NISSAN MOTOR CO., U.S.A.
Fig 14: Identifying Engine Control System Connectors (9 Of 11)
G07051166Courtesy of NISSAN MOTOR CO., U.S.A.
Fig 15: Identifying Engine Control System Connectors (10 Of 11)
G07051167Courtesy of NISSAN MOTOR CO., U.S.A.
Fig 16: Identifying Engine Control System Connectors (11 Of 11)
G07051168Courtesy of NISSAN MOTOR CO., U.S.A.