lemon-mirror:
Home >> Nissan-Datsun >> 2011 >> Sentra SE-R >> Repair and Diagnosis >> Body & Frame >> Door Locks >> Body, Lock & Security System >> Service Information >> Intelligent Key System >> Schematic

Intelligent Key System: Schematic

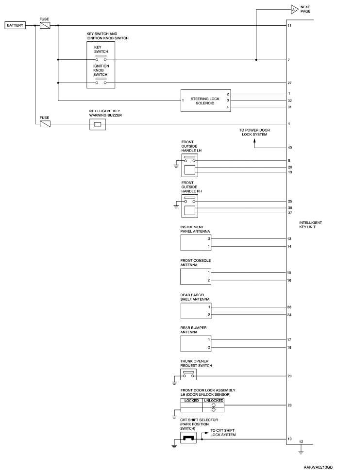
Fig 1: Intelligent Key System Schematic Diagram (1 Of 2)
G07140371Courtesy of NISSAN MOTOR CO., U.S.A.
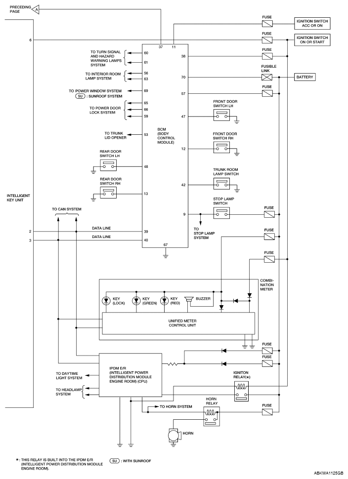
Fig 2: Intelligent Key System Schematic Diagram (2 Of 2)
G07140372Courtesy of NISSAN MOTOR CO., U.S.A.